产品分类

BT290-2B轴承
类型:【角接触球轴承 - 角接触球轴承】
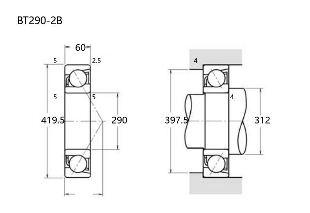
基本尺寸:内径:290 mm,外径:419.5 mm,厚度:60 mm。
价格区间:¥0 - ¥0【详情】
前缀列表:【BT:特殊尺寸 BT 系列】后缀列表:【-2:内部设计优化,代号 2】【B:接触角 40°】
BT290-2B型角接触球轴承内径为290毫米,外径419.5毫米,厚度60毫米,属于普通精度等级产品。该轴承设计用于同时承受径向和轴向联合载荷,接触角特性使其具备一定的轴向承载能力。其结构通常包含实心外圈、内圈及钢球与保持架组件,适用于中等转速及载荷工况。
该类轴承常见于工业传动设备、中型机械设备及部分专用装置中,能够满足基本旋转精度要求。安装时需注意载荷方向,通常采用成对配置以提升运行稳定性。产品可根据实际工况需求选择适配的游隙与润滑方式。
在选用过程中需结合具体应用环境评估载荷、转速及使用寿命要求,同时确保安装配合与维护符合规范。该型号轴承具有较为通用的结构特性,适用于多种工业场景的基础支撑需求。
B
T
2
9
0
-
2
B
BT:特殊尺寸 BT 系列
290:内径代号,内径:290 mm
-2:内部设计优化,代号 2
B:接触角 40°
BT:
特殊尺寸 BT 系列
290:
内径代号,内径:290 mm
-2:
内部设计优化,代号 2
B:
接触角 40°
公称型号(按保持器区分) | ||
冲压钢 | ||
尼龙 | ||
车削铜 | BT290-2B | |
主要尺寸(mm) | ||
内径 | d | 290 |
外径 | D | 419.5 |
厚度 | B | 60 |
r(min) | 5 | |
r1(min) | 2.5 | |
接触角 | ||
α(度) | 40° | |
额定载荷(KN) | ||
动载荷 | Cr(单列) | 292 |
基本额定静载荷 | Cor(单列) | 455 |
系数 | ||
f0 | — | |
限制速度(rpm) | ||
脂润滑 | ||
油润滑 | ||
载荷中心(mm) | ||
a(单列) | 179 | |
安装尺寸(mm) | ||
da(min) | 312 | |
Da(max) | 397.5 | |
ra(max) | 4 | |
db(min) | ||
Db(max) | ||
rb(max) | 2 | |
重量(kg) | ||
单列 | 26.9 |

商品 | 品牌 | 主要尺寸 | 发货仓 | 产地 | 库存 | 含税单价 | VIP价 | 操作 |