产品分类

BT280-1B轴承
类型:【角接触球轴承 - 角接触球轴承】
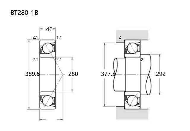
基本尺寸:内径:280 mm,外径:389.5 mm,厚度:46 mm。
价格区间:¥0 - ¥0【详情】
前缀列表:【BT:特殊尺寸 BT 系列】后缀列表:【-1:内部设计优化,代号 1】【B:接触角 40°】
BT280-1B 角接触球轴承的内径为 280mm,外径 389.5mm,厚度 46mm,适用于需同时承受径向和轴向复合载荷的工况。该型号属于普通精度等级产品,可满足一般工业应用对刚性和运转平稳性的基本需求。
角接触球轴承通过接触角结构实现双向轴向承载能力,适用于中高速旋转场合。该型号常见于中型机械传动结构,如通用减速设备、传动轴支撑及普通泵类设备。其尺寸设计兼顾负载能力与安装空间限制,在保证基本性能的同时提供较高的经济性。
此类轴承在产品系列中属于常规精度级别,用户可根据实际工况要求选择匹配的精度等级。安装时需注意调整预紧力,以确保轴承性能发挥并延长使用寿命。保持架结构和润滑条件会对实际使用效果产生一定影响,建议参考具体技术资料进行选用。
B
T
2
8
0
-
1
B
BT:特殊尺寸 BT 系列
280:内径代号,内径:280 mm
-1:内部设计优化,代号 1
B:接触角 40°
BT:
特殊尺寸 BT 系列
280:
内径代号,内径:280 mm
-1:
内部设计优化,代号 1
B:
接触角 40°
公称型号(按保持器区分) | ||
冲压钢 | ||
尼龙 | ||
车削铜 | BT280-1B | |
主要尺寸(mm) | ||
内径 | d | 280 |
外径 | D | 389.5 |
厚度 | B | 46 |
r(min) | 2.1 | |
r1(min) | 1.1 | |
接触角 | ||
α(度) | 40° | |
额定载荷(KN) | ||
动载荷 | Cr(单列) | 223 |
基本额定静载荷 | Cor(单列) | 325 |
系数 | ||
f0 | — | |
限制速度(rpm) | ||
脂润滑 | ||
油润滑 | ||
载荷中心(mm) | ||
a(单列) | 163.5 | |
安装尺寸(mm) | ||
da(min) | 292 | |
Da(max) | 377.5 | |
ra(max) | 2 | |
db(min) | ||
Db(max) | ||
rb(max) | 1 | |
重量(kg) | ||
单列 | 16 |

商品 | 品牌 | 主要尺寸 | 发货仓 | 产地 | 库存 | 含税单价 | VIP价 | 操作 |