产品分类

BT260-5B轴承
类型:【角接触球轴承 - 角接触球轴承】
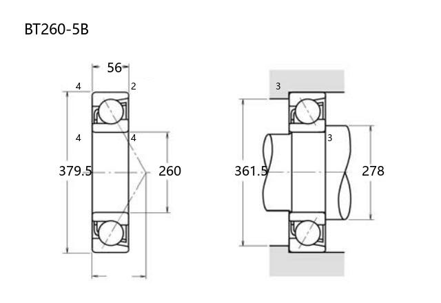
基本尺寸:内径:260 mm,外径:379.5 mm,厚度:56 mm。
价格区间:¥0 - ¥0【详情】
前缀列表:【BT:特殊尺寸 BT 系列】后缀列表:【-5:内部设计优化,代号 5】【B:接触角 40°】
BT260-5B属于角接触球轴承,其内径为260毫米,外径为379.5毫米,厚度为56毫米。该设计能够同时承受径向和轴向载荷,适用于较高转速的工况。作为普通精度等级产品,其制造标准覆盖P0、P6及P5级别,可满足不同应用场景对精度和刚性的基本需求。
此类轴承常见于工业传动设备、中型电机或精密机械中,能够提供稳定的支撑性能。其结构特点包括滚道设计和接触角配置,有助于提升载荷分布效率。用户可根据实际需求选择适当的精度等级,以平衡成本与性能。
在安装和使用过程中需注意保持对中性和润滑条件,这有助于延长轴承使用寿命。该型号的尺寸参数符合常规标准,便于在多数机械系统中进行配套使用。
B
T
2
6
0
-
5
B
BT:特殊尺寸 BT 系列
260:内径代号,内径:260 mm
-5:内部设计优化,代号 5
B:接触角 40°
BT:
特殊尺寸 BT 系列
260:
内径代号,内径:260 mm
-5:
内部设计优化,代号 5
B:
接触角 40°
公称型号(按保持器区分) | ||
冲压钢 | ||
尼龙 | ||
车削铜 | BT260-5B | |
主要尺寸(mm) | ||
内径 | d | 260 |
外径 | D | 379.5 |
厚度 | B | 56 |
r(min) | 4 | |
r1(min) | 2 | |
接触角 | ||
α(度) | 40° | |
额定载荷(KN) | ||
动载荷 | Cr(单列) | 264 |
基本额定静载荷 | Cor(单列) | 385 |
系数 | ||
f0 | — | |
限制速度(rpm) | ||
脂润滑 | ||
油润滑 | ||
载荷中心(mm) | ||
a(单列) | 162.5 | |
安装尺寸(mm) | ||
da(min) | 278 | |
Da(max) | 361.5 | |
ra(max) | 3 | |
db(min) | ||
Db(max) | ||
rb(max) | 2 | |
重量(kg) | ||
单列 | 19.1 |

商品 | 品牌 | 主要尺寸 | 发货仓 | 产地 | 库存 | 含税单价 | VIP价 | 操作 |