产品分类

BT260-2B轴承
类型:【角接触球轴承 - 角接触球轴承】
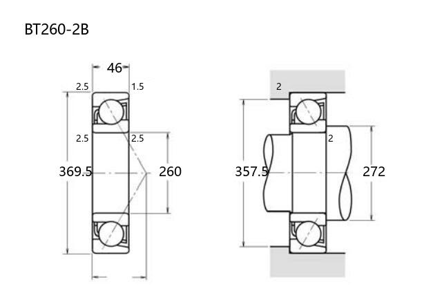
基本尺寸:内径:260 mm,外径:369.5 mm,厚度:46 mm。
价格区间:¥0 - ¥0【详情】
前缀列表:【BT:特殊尺寸 BT 系列】后缀列表:【-2:内部设计优化,代号 2】【B:接触角 40°】
BT260-2B是一款角接触球轴承,内径为260mm,外径369.5mm,厚度46mm,属于标准规格产品。该轴承适用于中等转速及中等载荷的应用场景,常见于工业传动设备、旋转支承结构及部分通用机械中。其设计能够同时承受径向和轴向负荷,结构紧凑,安装调整较为简便。
该轴承属于普通精度等级产品,可提供P0、P6或P5级别的制造标准,满足不同工况对运行平稳性和精度的一般需求。由于采用角接触结构,具备一定的调心能力,可在轻微不对中情况下保持正常工作。
在使用时需注意配合合理的润滑与防护措施,以延长使用寿命。该型号轴承多用于中型机械装置,如泵类、减速机及普通工业传动系统,适用性较广,但在极高转速或重载条件下需根据实际工况进行选型评估。
B
T
2
6
0
-
2
B
BT:特殊尺寸 BT 系列
260:内径代号,内径:260 mm
-2:内部设计优化,代号 2
B:接触角 40°
BT:
特殊尺寸 BT 系列
260:
内径代号,内径:260 mm
-2:
内部设计优化,代号 2
B:
接触角 40°
公称型号(按保持器区分) | ||
冲压钢 | ||
尼龙 | ||
车削铜 | BT260-2B | |
主要尺寸(mm) | ||
内径 | d | 260 |
外径 | D | 369.5 |
厚度 | B | 46 |
r(min) | 2.5 | |
r1(min) | 1.5 | |
接触角 | ||
α(度) | 40° | |
额定载荷(KN) | ||
动载荷 | Cr(单列) | 235 |
基本额定静载荷 | Cor(单列) | 340 |
系数 | ||
f0 | — | |
限制速度(rpm) | ||
脂润滑 | ||
油润滑 | ||
载荷中心(mm) | ||
a(单列) | 155 | |
安装尺寸(mm) | ||
da(min) | 272 | |
Da(max) | 357.5 | |
ra(max) | 2 | |
db(min) | ||
Db(max) | ||
rb(max) | 1.5 | |
重量(kg) | ||
单列 | 15.7 |

商品 | 品牌 | 主要尺寸 | 发货仓 | 产地 | 库存 | 含税单价 | VIP价 | 操作 |