产品分类

BT240-2B轴承
类型:【角接触球轴承 - 角接触球轴承】
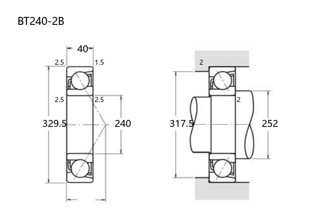
基本尺寸:内径:240 mm,外径:329.5 mm,厚度:40 mm。
价格区间:¥0 - ¥0【详情】
前缀列表:【BT:特殊尺寸 BT 系列】后缀列表:【-2:内部设计优化,代号 2】【B:接触角 40°】
BT240-2B是一款角接触球轴承,属于普通精度等级产品,常见精度级别包括P0、P6或P5。其基本尺寸为内径240mm,外径329.5mm,厚度40mm,适用于中等载荷和较高转速的工况。该型号轴承采用接触角设计,能够同时承受径向和轴向联合载荷,具备较好的刚性和运转平稳性。
在应用方面,BT240-2B常用于工业传动设备、中等功率电机、泵类设备及通用机械中,适用于要求结构紧凑且支撑稳定性较高的场合。其尺寸设计符合标准规范,便于安装和维护。用户需根据实际工况选择合适的精度等级和润滑方式,以确保轴承性能的充分发挥。该型号轴承在常规工业环境中表现稳定,但具体使用寿命需结合实际负载、转速及维护条件综合评估。
B
T
2
4
0
-
2
B
BT:特殊尺寸 BT 系列
240:内径代号,内径:240 mm
-2:内部设计优化,代号 2
B:接触角 40°
BT:
特殊尺寸 BT 系列
240:
内径代号,内径:240 mm
-2:
内部设计优化,代号 2
B:
接触角 40°
公称型号(按保持器区分) | ||
冲压钢 | ||
尼龙 | ||
车削铜 | BT240-2B | |
主要尺寸(mm) | ||
内径 | d | 240 |
外径 | D | 329.5 |
厚度 | B | 40 |
r(min) | 2.5 | |
r1(min) | 1.5 | |
接触角 | ||
α(度) | 40° | |
额定载荷(KN) | ||
动载荷 | Cr(单列) | 197 |
基本额定静载荷 | Cor(单列) | 265 |
系数 | ||
f0 | — | |
限制速度(rpm) | ||
脂润滑 | ||
油润滑 | ||
载荷中心(mm) | ||
a(单列) | 139.5 | |
安装尺寸(mm) | ||
da(min) | 252 | |
Da(max) | 317.5 | |
ra(max) | 2 | |
db(min) | ||
Db(max) | ||
rb(max) | 1.5 | |
重量(kg) | ||
单列 | 10.1 |

商品 | 品牌 | 主要尺寸 | 发货仓 | 产地 | 库存 | 含税单价 | VIP价 | 操作 |