产品分类

BT160-3B轴承
类型:【角接触球轴承 - 角接触球轴承】
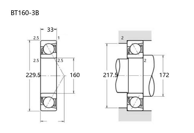
基本尺寸:内径:160 mm,外径:229.5 mm,厚度:33 mm。
价格区间:¥0 - ¥0【详情】
前缀列表:【BT:特殊尺寸 BT 系列】后缀列表:【-3:内部设计优化,代号 3】【B:接触角 40°】
BT160-3B属于角接触球轴承的一种,其设计适用于同时承受径向和轴向复合载荷的工况。该型号内径为160mm,外径为229.5mm,厚度为33mm,属于中大型尺寸规格。结构上采用接触角设计,可提供一定的轴向承载能力和刚性,常见于中等转速及精度要求的应用场景。
该轴承属于普通精度等级,涵盖P0、P6或P5级别,可满足一般工业设备的运行需求,例如中型电机、传动装置或通用机械等。其尺寸符合公制标准,若需适配英制系统亦可进行单位换算。
角接触球轴承通常成对安装使用,以提升系统刚性及负荷分布性能。选用时需结合实际工况考虑载荷方向、转速及安装方式等因素。此类轴承在工业领域中应用广泛,具备一定的通用性和适配性。
B
T
1
6
0
-
3
B
BT:特殊尺寸 BT 系列
160:内径代号,内径:160 mm
-3:内部设计优化,代号 3
B:接触角 40°
BT:
特殊尺寸 BT 系列
160:
内径代号,内径:160 mm
-3:
内部设计优化,代号 3
B:
接触角 40°
公称型号(按保持器区分) | ||
冲压钢 | ||
尼龙 | ||
车削铜 | BT160-3B | |
主要尺寸(mm) | ||
内径 | d | 160 |
外径 | D | 229.5 |
厚度 | B | 33 |
r(min) | 2.5 | |
r1(min) | 1 | |
接触角 | ||
α(度) | 40° | |
额定载荷(KN) | ||
动载荷 | Cr(单列) | 111 |
基本额定静载荷 | Cor(单列) | 128 |
系数 | ||
f0 | — | |
限制速度(rpm) | ||
脂润滑 | ||
油润滑 | ||
载荷中心(mm) | ||
a(单列) | 98.5 | |
安装尺寸(mm) | ||
da(min) | 172 | |
Da(max) | 217.5 | |
ra(max) | 2 | |
db(min) | ||
Db(max) | ||
rb(max) | 1 | |
重量(kg) | ||
单列 | 4.52 |

商品 | 品牌 | 主要尺寸 | 发货仓 | 产地 | 库存 | 含税单价 | VIP价 | 操作 |