产品分类

BA460-1A轴承
类型:【角接触球轴承 - 角接触球轴承】
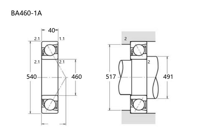
基本尺寸:内径:460 mm,外径:540 mm,厚度:40 mm。
价格区间:¥0 - ¥0【详情】
前缀列表:【BA:特殊尺寸 BA 系列】后缀列表:【-1:内部设计优化,代号 1】【A:接触角 30°】
BA460-1A型轴承属于角接触球轴承类别,其内径为460毫米,外径为540毫米,厚度为40毫米。该轴承采用单列设计,适用于中等载荷和高转速工况,常见于工业旋转设备中。其接触角结构能够同时承受径向和轴向联合载荷,提供较好的刚性支撑。
在制造精度方面,该型号符合普通级标准,涵盖P0、P6或P5等级别,可满足不同应用的精度需求。材料通常选用高碳铬轴承钢,经热处理后具备良好的耐磨性和疲劳寿命。
此类轴承多见于大型机械设备,如重型传动系统、中型风机主轴或工业泵类装置。安装时需注意预紧力和对齐调整,以优化载荷分布。维护中建议定期检查润滑状态,避免过热或污染,从而延长使用寿命。总体而言,该型号适用于一般工业环境,平衡了性能与成本因素。
B
A
4
6
0
-
1
A
BA:特殊尺寸 BA 系列
460:内径代号,内径:460 mm
-1:内部设计优化,代号 1
A:接触角 30°
BA:
特殊尺寸 BA 系列
460:
内径代号,内径:460 mm
-1:
内部设计优化,代号 1
A:
接触角 30°
公称型号(按保持器区分) | ||
冲压钢 | ||
尼龙 | ||
车削铜 | BA460-1A | |
主要尺寸(mm) | ||
内径 | d | 460 |
外径 | D | 540 |
厚度 | B | 40 |
r(min) | 2.1 | |
r1(min) | 1.1 | |
接触角 | ||
α(度) | 30° | |
额定载荷(KN) | ||
动载荷 | Cr(单列) | 198 |
基本额定静载荷 | Cor(单列) | 430 |
系数 | ||
f0 | — | |
限制速度(rpm) | ||
脂润滑 | ||
油润滑 | ||
载荷中心(mm) | ||
a(单列) | 164.3 | |
安装尺寸(mm) | ||
da(min) | 491 | |
Da(max) | 517 | |
ra(max) | 2 | |
db(min) | — | |
Db(max) | 522 | |
rb(max) | 1 | |
重量(kg) | ||
单列 | 15.8 |

商品 | 品牌 | 主要尺寸 | 发货仓 | 产地 | 库存 | 含税单价 | VIP价 | 操作 |