产品分类

BA270-2A轴承
类型:【角接触球轴承 - 角接触球轴承】
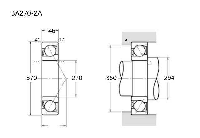
基本尺寸:内径:270 mm,外径:370 mm,厚度:46 mm。
价格区间:¥0 - ¥0【详情】
前缀列表:【BA:特殊尺寸 BA 系列】后缀列表:【-2:内部设计优化,代号 2】【A:接触角 30°】
BA270-2A角接触球轴承内径为270mm,外径370mm,厚度46mm,属于中等尺寸的轴承类型。该型号为角接触球轴承,结构上通常采用钢制滚动体与保持架组合,能够同时承受径向和轴向负荷,适用于中等转速及复合载荷场景。其接触角设计有助于提升轴向刚性,常见于工业传动、中型机械设备或支撑结构等应用。
这类轴承通常符合普通级精度,如P0或P6级,可满足一般工业运转需求,但在高速或高精度场合可能需要更高等级的配置。使用中需注意配合安装方式及润滑条件,以发挥其性能并延长使用寿命。轴承的选型需结合实际工况参数,如载荷类型、转速及环境条件等进行综合评估。
B
A
2
7
0
-
2
A
BA:特殊尺寸 BA 系列
270:内径代号,内径:270 mm
-2:内部设计优化,代号 2
A:接触角 30°
BA:
特殊尺寸 BA 系列
270:
内径代号,内径:270 mm
-2:
内部设计优化,代号 2
A:
接触角 30°
公称型号(按保持器区分) | ||
冲压钢 | ||
尼龙 | ||
车削铜 | BA270-2A | |
主要尺寸(mm) | ||
内径 | d | 270 |
外径 | D | 370 |
厚度 | B | 46 |
r(min) | 2.1 | |
r1(min) | 1.1 | |
接触角 | ||
α(度) | 30° | |
额定载荷(KN) | ||
动载荷 | Cr(单列) | 241 |
基本额定静载荷 | Cor(单列) | 360 |
系数 | ||
f0 | — | |
限制速度(rpm) | ||
脂润滑 | ||
油润滑 | ||
载荷中心(mm) | ||
a(单列) | 115.4 | |
安装尺寸(mm) | ||
da(min) | 294 | |
Da(max) | 350 | |
ra(max) | 2 | |
db(min) | — | |
Db(max) | — | |
rb(max) | — | |
重量(kg) | ||
单列 | 14.7 |

商品 | 品牌 | 主要尺寸 | 发货仓 | 产地 | 库存 | 含税单价 | VIP价 | 操作 |