产品分类

BA240-3A轴承
类型:【角接触球轴承 - 角接触球轴承】
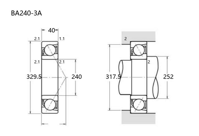
基本尺寸:内径:240 mm,外径:329.5 mm,厚度:40 mm。
价格区间:¥0 - ¥0【详情】
前缀列表:【BA:特殊尺寸 BA 系列】后缀列表:【-3:内部设计优化,代号 3】【A:接触角 30°】
BA240-3A型轴承属于角接触球轴承类别,其基本尺寸为内径240mm、外径329.5mm、厚度40mm。该型号设计适用于承受径向和轴向联合载荷的场景,常见于中等转速及精度要求的工业设备中。作为普通精度等级的轴承,它在制造中通常依据标准公差生产,能够满足一般工况下的运转需求。
角接触球轴承的结构特点使其具备一定的调心能力,适合用于存在轻微安装误差或轴挠曲的场合。该型号轴承多应用于大型电机、传动系统或通用机械领域,在维护得当的情况下可提供稳定的支承性能。用户在选择时需结合具体负载、转速及环境条件进行综合评估,以确保其匹配实际应用需求。轴承的安装与润滑条件对其使用寿命具有重要影响,建议遵循相关技术规范进行操作。
B
A
2
4
0
-
3
A
BA:特殊尺寸 BA 系列
240:内径代号,内径:240 mm
-3:内部设计优化,代号 3
A:接触角 30°
BA:
特殊尺寸 BA 系列
240:
内径代号,内径:240 mm
-3:
内部设计优化,代号 3
A:
接触角 30°
公称型号(按保持器区分) | ||
冲压钢 | ||
尼龙 | ||
车削铜 | BA240-3A | |
主要尺寸(mm) | ||
内径 | d | 240 |
外径 | D | 329.5 |
厚度 | B | 40 |
r(min) | 2.1 | |
r1(min) | 1.1 | |
接触角 | ||
α(度) | 30° | |
额定载荷(KN) | ||
动载荷 | Cr(单列) | 221 |
基本额定静载荷 | Cor(单列) | 305 |
系数 | ||
f0 | — | |
限制速度(rpm) | ||
脂润滑 | ||
油润滑 | ||
载荷中心(mm) | ||
a(单列) | 102.5 | |
安装尺寸(mm) | ||
da(min) | 252 | |
Da(max) | 317.5 | |
ra(max) | 2 | |
db(min) | ||
Db(max) | ||
rb(max) | 1 | |
重量(kg) | ||
单列 | 10 |

商品 | 品牌 | 主要尺寸 | 发货仓 | 产地 | 库存 | 含税单价 | VIP价 | 操作 |