产品分类

BA240-1A轴承
类型:【角接触球轴承 - 角接触球轴承】
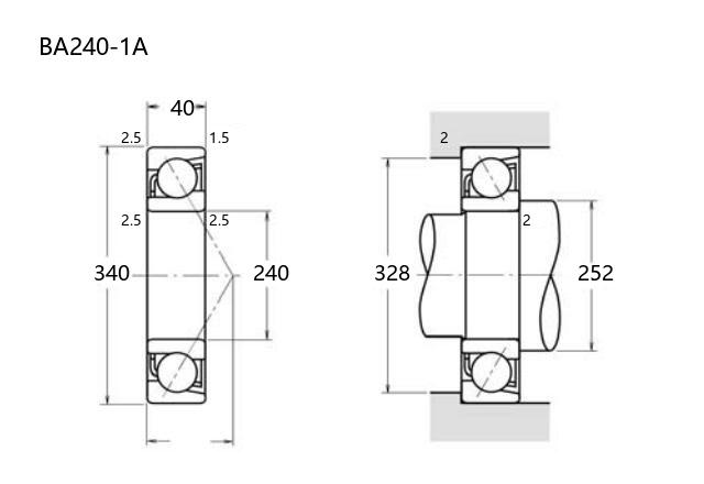
基本尺寸:内径:240 mm,外径:340 mm,厚度:40 mm。
价格区间:¥0 - ¥0【详情】
前缀列表:【BA:特殊尺寸 BA 系列】后缀列表:【-1:内部设计优化,代号 1】【A:接触角 30°】
BA240-1A是一款角接触球轴承,内径为240mm,外径340mm,厚度40mm,属于标准尺寸规格。该设计适用于承受径向和轴向联合载荷的工况,常见于中等转速及精度要求的设备中。其接触角结构可提供一定的轴向刚性,适合双向负载场合。
作为普通精度等级的轴承,它符合P0、P6或P5级制造标准,在一般工业环境中具有良好的适用性,例如中型传动系统、通用机械或某些固定支承结构中。该型号采用常见的钢制材料与保持架设计,在常规工况下能保持稳定运行。
使用中需注意配合公差及润滑条件,以充分发挥其性能特点。该轴承未针对高速或超高精度场景做特殊优化,适用于普遍工业需求而非极端工况。具体选型时需结合实际负载、转速及环境条件进行综合评估。
B
A
2
4
0
-
1
A
BA:特殊尺寸 BA 系列
240:内径代号,内径:240 mm
-1:内部设计优化,代号 1
A:接触角 30°
BA:
特殊尺寸 BA 系列
240:
内径代号,内径:240 mm
-1:
内部设计优化,代号 1
A:
接触角 30°
公称型号(按保持器区分) | ||
冲压钢 | ||
尼龙 | ||
车削铜 | BA240-1A | |
主要尺寸(mm) | ||
内径 | d | 240 |
外径 | D | 340 |
厚度 | B | 40 |
r(min) | 2.5 | |
r1(min) | 1.5 | |
接触角 | ||
α(度) | 30° | |
额定载荷(KN) | ||
动载荷 | Cr(单列) | 211 |
基本额定静载荷 | Cor(单列) | 289 |
系数 | ||
f0 | — | |
限制速度(rpm) | ||
脂润滑 | ||
油润滑 | ||
载荷中心(mm) | ||
a(单列) | 160.5 | |
安装尺寸(mm) | ||
da(min) | 252 | |
Da(max) | 328 | |
ra(max) | 2 | |
db(min) | ||
Db(max) | ||
rb(max) | 1.5 | |
重量(kg) | ||
单列 | 11.5 |

商品 | 品牌 | 主要尺寸 | 发货仓 | 产地 | 库存 | 含税单价 | VIP价 | 操作 |