产品分类

BA203-2A轴承
类型:【角接触球轴承 - 角接触球轴承】
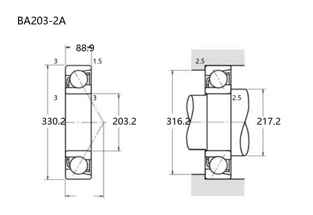
基本尺寸:内径:203.2 mm,外径:330.2 mm,厚度:88.9 mm。
价格区间:¥0 - ¥0【详情】
前缀列表:【BA:特殊尺寸 BA 系列】后缀列表:【-2:内部设计优化,代号 2】【A:接触角 30°】
BA203-2A是一款角接触球轴承,属于通用精度等级产品,适用于多种工业场合。其基本尺寸为内径203.2mm(约8英寸)、外径330.2mm(约13英寸)、厚度88.9mm(约3.5英寸),采用英制单位设计,便于在对应标准系统中使用。该轴承可承受径向和轴向联合载荷,接触角设计提供了较好的刚性及运行稳定性。
在应用方面,BA203-2A常见于中型机械传动、泵类设备及某些工业传动结构中,适用于中速和中等负载工况。其普通级精度涵盖P0、P6、P5等级,用户可根据实际运行要求选择匹配的精度版本,以平衡性能和成本。该型号轴承通常采用脂润滑或油润滑方式,具体需依据运行环境及负荷条件进行选择。
整体而言,这款轴承具有结构紧凑、安装简便的特点,能够在多种机械配置中提供可靠的支承功能。选型时建议结合负载、转速及环境条件进行综合评估。
B
A
2
0
3
-
2
A
BA:特殊尺寸 BA 系列
203:内径代号,内径:203 mm
-2:内部设计优化,代号 2
A:接触角 30°
BA:
特殊尺寸 BA 系列
203:
内径代号,内径:203 mm
-2:
内部设计优化,代号 2
A:
接触角 30°
公称型号(按保持器区分) | ||
冲压钢 | ||
尼龙 | ||
车削铜 | BA203-2A | |
主要尺寸(mm) | ||
内径 | d | 203.2 |
外径 | D | 330.2 |
厚度 | B | 88.9 |
r(min) | 3 | |
r1(min) | 1.5 | |
接触角 | ||
α(度) | 30° | |
额定载荷(KN) | ||
动载荷 | Cr(单列) | 219 |
基本额定静载荷 | Cor(单列) | 285 |
系数 | ||
f0 | — | |
限制速度(rpm) | ||
脂润滑 | ||
油润滑 | ||
载荷中心(mm) | ||
a(单列) | 99 | |
安装尺寸(mm) | ||
da(min) | 217.2 | |
Da(max) | 316.2 | |
ra(max) | 2.5 | |
db(min) | ||
Db(max) | ||
rb(max) | 1.5 | |
重量(kg) | ||
单列 | 14.7 |

商品 | 品牌 | 主要尺寸 | 发货仓 | 产地 | 库存 | 含税单价 | VIP价 | 操作 |