产品分类

BA195-3A轴承
类型:【角接触球轴承 - 角接触球轴承】
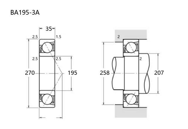
基本尺寸:内径:195 mm,外径:270 mm,厚度:35 mm。
价格区间:¥0 - ¥0【详情】
前缀列表:【BA:特殊尺寸 BA 系列】后缀列表:【-3:内部设计优化,代号 3】【A:接触角 30°】
BA195-3A型号轴承属于角接触球轴承类别,其内径尺寸为195毫米,外径尺寸为270毫米,厚度为35毫米。该轴承设计适用于承受复合载荷,尤其能有效支持径向和轴向联合作用力。其接触角结构有助于提升轴向载荷能力,适用于中等转速及精度要求的应用场景。
在制造精度方面,该型号可符合普通级标准,涵盖P0、P6或P5等级别,能够满足一般工业设备的运行需求。常见应用领域包括传动系统、旋转支撑结构或中型机械装备,可在常规工况下提供稳定的旋转性能。
该轴承的结构设计注重载荷分布的平衡性,安装时需注意调整预紧或配合方式,以确保其性能发挥。用户需根据实际工况条件选择合适的精度等级及润滑方案,以延长使用寿命并维持运行效率。
B
A
1
9
5
-
3
A
BA:特殊尺寸 BA 系列
195:内径代号,内径:195 mm
-3:内部设计优化,代号 3
A:接触角 30°
BA:
特殊尺寸 BA 系列
195:
内径代号,内径:195 mm
-3:
内部设计优化,代号 3
A:
接触角 30°
公称型号(按保持器区分) | ||
冲压钢 | ||
尼龙 | ||
车削铜 | BA195-3A | |
主要尺寸(mm) | ||
内径 | d | 195 |
外径 | D | 270 |
厚度 | B | 35 |
r(min) | 2.5 | |
r1(min) | 1.5 | |
接触角 | ||
α(度) | 30° | |
额定载荷(KN) | ||
动载荷 | Cr(单列) | 153 |
基本额定静载荷 | Cor(单列) | 196 |
系数 | ||
f0 | — | |
限制速度(rpm) | ||
脂润滑 | ||
油润滑 | ||
载荷中心(mm) | ||
a(单列) | 84.5 | |
安装尺寸(mm) | ||
da(min) | 207 | |
Da(max) | 258 | |
ra(max) | 2 | |
db(min) | ||
Db(max) | ||
rb(max) | 1.5 | |
重量(kg) | ||
单列 | 6.2 |

商品 | 品牌 | 主要尺寸 | 发货仓 | 产地 | 库存 | 含税单价 | VIP价 | 操作 |