产品分类

BA190-3A轴承
类型:【角接触球轴承 - 角接触球轴承】
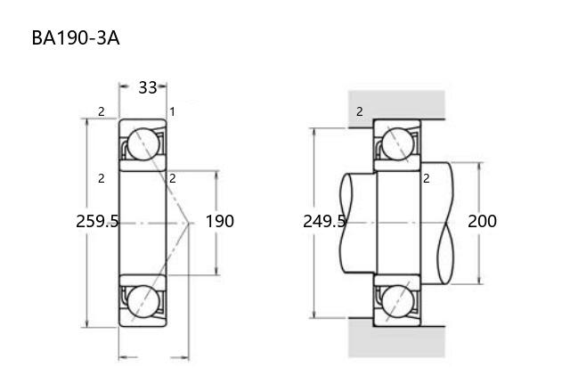
基本尺寸:内径:190 mm,外径:259.5 mm,厚度:33 mm。
价格区间:¥0 - ¥0【详情】
前缀列表:【BA:特殊尺寸 BA 系列】后缀列表:【-3:内部设计优化,代号 3】【A:接触角 30°】
BA190-3A型轴承是一款角接触球轴承,属于普通精度等级产品,涵盖P0、P6及P5级精度选项。其设计结构为单体形式,适用于中等负荷及高速运转场景。该轴承的基本尺寸为内径190mm、外径259.5mm、厚度33mm,尺寸规格符合常见工业标准。
角接触球轴承的设计特点在于能够同时承受径向和轴向联合载荷,接触角的设计使该类轴承具备较好的轴向支撑能力。BA190-3A可适用于中等转速的旋转系统,常见于工业传动设备、中型机械转台或某些专用机械结构中。
该型号轴承在选型时需综合考虑载荷方向、转速要求及安装空间等因素。其普通精度等级可满足多数通用场景的需求,若工况对运行精度或温升控制有更高要求,则需结合具体使用条件进行评估。轴承的安装需注意保持适当的预紧力和对中精度,以发挥其设计性能。
保持架材料、润滑方式及游隙选择可根据实际应用进行调整,建议参考具体产品技术文件或联系供应商获取更详尽的配置信息。
B
A
1
9
0
-
3
A
BA:特殊尺寸 BA 系列
190:内径代号,内径:190 mm
-3:内部设计优化,代号 3
A:接触角 30°
BA:
特殊尺寸 BA 系列
190:
内径代号,内径:190 mm
-3:
内部设计优化,代号 3
A:
接触角 30°
公称型号(按保持器区分) | ||
冲压钢 | ||
尼龙 | ||
车削铜 | BA190-3A | |
主要尺寸(mm) | ||
内径 | d | 190 |
外径 | D | 259.5 |
厚度 | B | 33 |
r(min) | 2 | |
r1(min) | 1 | |
接触角 | ||
α(度) | 30° | |
额定载荷(KN) | ||
动载荷 | Cr(单列) | 133 |
基本额定静载荷 | Cor(单列) | 169 |
系数 | ||
f0 | — | |
限制速度(rpm) | ||
脂润滑 | ||
油润滑 | ||
载荷中心(mm) | ||
a(单列) | 81.5 | |
安装尺寸(mm) | ||
da(min) | 200 | |
Da(max) | 249.5 | |
ra(max) | 2 | |
db(min) | ||
Db(max) | ||
rb(max) | 1 | |
重量(kg) | ||
单列 | 5.1 |

商品 | 品牌 | 主要尺寸 | 发货仓 | 产地 | 库存 | 含税单价 | VIP价 | 操作 |