产品分类

BA180-3A轴承
类型:【角接触球轴承 - 角接触球轴承】
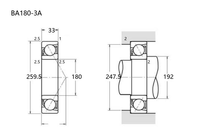
基本尺寸:内径:180 mm,外径:259.5 mm,厚度:33 mm。
价格区间:¥0 - ¥0【详情】
前缀列表:【BA:特殊尺寸 BA 系列】后缀列表:【-3:内部设计优化,代号 3】【A:接触角 30°】
BA180-3A型轴承属于角接触球轴承类别,其基本尺寸为内径180mm,外径259.5mm,厚度33mm。该型号轴承通常采用普通级精度制造,涵盖P0、P6或P5等级别,适用于中等载荷和转速场合。角接触球轴承的设计使其能够同时承受径向和轴向载荷,安装时需注意接触角方向以确保载荷合理分布。
此类轴承常见于工业传动设备、中型电机或泵类装置中,也可能用于某些通用机械的支撑结构。在使用过程中需保持适当的润滑条件,并定期检查工作状态以维持性能。轴承的实际性能可能因材质、热处理工艺及具体工况条件而存在差异,建议用户参考技术手册选择匹配的精度等级和配置方案。
B
A
1
8
0
-
3
A
BA:特殊尺寸 BA 系列
180:内径代号,内径:180 mm
-3:内部设计优化,代号 3
A:接触角 30°
BA:
特殊尺寸 BA 系列
180:
内径代号,内径:180 mm
-3:
内部设计优化,代号 3
A:
接触角 30°
公称型号(按保持器区分) | ||
冲压钢 | ||
尼龙 | ||
车削铜 | BA180-3A | |
主要尺寸(mm) | ||
内径 | d | 180 |
外径 | D | 259.5 |
厚度 | B | 33 |
r(min) | 2.5 | |
r1(min) | 1 | |
接触角 | ||
α(度) | 30° | |
额定载荷(KN) | ||
动载荷 | Cr(单列) | 178 |
基本额定静载荷 | Cor(单列) | 211 |
系数 | ||
f0 | — | |
限制速度(rpm) | ||
脂润滑 | ||
油润滑 | ||
载荷中心(mm) | ||
a(单列) | 80 | |
安装尺寸(mm) | ||
da(min) | 192 | |
Da(max) | 247.5 | |
ra(max) | 2 | |
db(min) | ||
Db(max) | ||
rb(max) | 1 | |
重量(kg) | ||
单列 | 5.8 |

商品 | 品牌 | 主要尺寸 | 发货仓 | 产地 | 库存 | 含税单价 | VIP价 | 操作 |