产品分类

BA130-2A轴承
类型:【角接触球轴承 - 角接触球轴承】
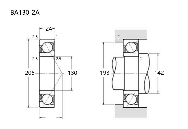
基本尺寸:内径:130 mm,外径:205 mm,厚度:24 mm。
价格区间:¥0 - ¥0【详情】
前缀列表:【BA:特殊尺寸 BA 系列】后缀列表:【-2:内部设计优化,代号 2】【A:接触角 30°】
BA130-2A型轴承属于角接触球轴承类别,其内径为130毫米,外径205毫米,厚度24毫米,适用于中等载荷和高转速工况。该轴承设计能够同时承受径向和轴向载荷,接触角结构有助于提升运转稳定性,常见于工业传动设备、泵类及中型机械中。
作为普通精度等级产品,它可满足一般工业应用的基本需求,适用于对精度要求不极端严苛的场合。在安装时需注意轴向预紧力的调整,以保证载荷分布的均匀性。该型号轴承多采用脂润滑或油润滑方式,具体需根据实际工况选择适配的维护方案。
用户在使用前建议核对具体工况参数,确保其载荷能力与转速范围符合设备要求。此外,需保持定期维护以延长使用寿命,避免超载或润滑不良导致的早期失效。该型号轴承具有较好的通用性,但实际性能仍取决于具体应用环境和安装条件。
B
A
1
3
0
-
2
A
BA:特殊尺寸 BA 系列
130:内径代号,内径:130 mm
-2:内部设计优化,代号 2
A:接触角 30°
BA:
特殊尺寸 BA 系列
130:
内径代号,内径:130 mm
-2:
内部设计优化,代号 2
A:
接触角 30°
公称型号(按保持器区分) | ||
冲压钢 | ||
尼龙 | ||
车削铜 | BA130-2A | |
主要尺寸(mm) | ||
内径 | d | 130 |
外径 | D | 205 |
厚度 | B | 24 |
r(min) | 2.5 | |
r1(min) | 1 | |
接触角 | ||
α(度) | 30° | |
额定载荷(KN) | ||
动载荷 | Cr(单列) | 75 |
基本额定静载荷 | Cor(单列) | 90 |
系数 | ||
f0 | — | |
限制速度(rpm) | ||
脂润滑 | ||
油润滑 | ||
载荷中心(mm) | ||
a(单列) | 60.5 | |
安装尺寸(mm) | ||
da(min) | 142 | |
Da(max) | 193 | |
ra(max) | 2 | |
db(min) | ||
Db(max) | ||
rb(max) | 1 | |
重量(kg) | ||
单列 | 2.98 |

商品 | 品牌 | 主要尺寸 | 发货仓 | 产地 | 库存 | 含税单价 | VIP价 | 操作 |