产品分类

BA120-3A轴承
类型:【角接触球轴承 - 角接触球轴承】
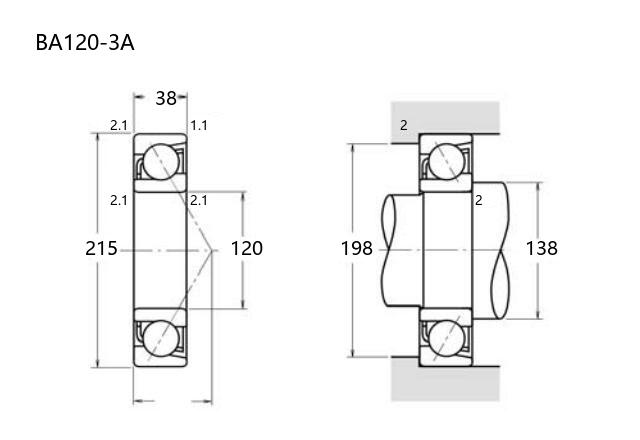
基本尺寸:内径:120 mm,外径:215 mm,厚度:38 mm。
价格区间:¥0 - ¥0【详情】
前缀列表:【BA:特殊尺寸 BA 系列】后缀列表:【-3:内部设计优化,代号 3】【A:接触角 30°】
BA120-3A角接触球轴承的内径为120mm,外径215mm,厚度38mm,属于中小型尺寸规格。该型号通常采用钢制材质,具备较高的承载能力和刚性,适用于中等转速及复合载荷工况。其接触角设计可同时承受径向和轴向负荷,常见的配置形式为单列标准结构。
在应用方面,该轴承多用于工业传动装置、中型电机主轴或通用机械的旋转支撑部位。由于采用普通精度等级(如P0/P6/P5级),可根据实际工况选择适配的精度标准,兼顾经济性与性能需求。安装时需注意预紧力和配合公差,以保证运转平稳性。
此类轴承在常规工作环境下表现稳定,但需定期检查润滑状态与磨损情况。若用于高速或重载场景,建议结合具体工况参数进行选型验证。轴承的维护周期与使用寿命受安装质量、工作负荷及环境条件等多因素影响。
B
A
1
2
0
-
3
A
BA:特殊尺寸 BA 系列
120:内径代号,内径:120 mm
-3:内部设计优化,代号 3
A:接触角 30°
BA:
特殊尺寸 BA 系列
120:
内径代号,内径:120 mm
-3:
内部设计优化,代号 3
A:
接触角 30°
公称型号(按保持器区分) | ||
冲压钢 | ||
尼龙 | ||
车削铜 | BA120-3A | |
主要尺寸(mm) | ||
内径 | d | 120 |
外径 | D | 215 |
厚度 | B | 38 |
r(min) | 2.1 | |
r1(min) | 1.1 | |
接触角 | ||
α(度) | 30° | |
额定载荷(KN) | ||
动载荷 | Cr(单列) | 169 |
基本额定静载荷 | Cor(单列) | 161 |
系数 | ||
f0 | — | |
限制速度(rpm) | ||
脂润滑 | ||
油润滑 | ||
载荷中心(mm) | ||
a(单列) | 67.4 | |
安装尺寸(mm) | ||
da(min) | 138 | |
Da(max) | 198 | |
ra(max) | 2 | |
db(min) | — | |
Db(max) | 203 | |
rb(max) | 1 | |
重量(kg) | ||
单列 | 12 |

商品 | 品牌 | 主要尺寸 | 发货仓 | 产地 | 库存 | 含税单价 | VIP价 | 操作 |