产品分类

7988AM轴承
类型:【角接触球轴承 - 角接触球轴承】
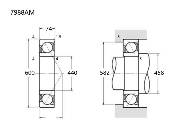
基本尺寸:内径:440 mm,外径:600 mm,厚度:74 mm。
价格区间:¥0 - ¥0【详情】
后缀列表:【A:接触角 30°】【M:实体黄铜保持架】
7988AM型角接触球轴承的内径尺寸为440mm,外径尺寸为600mm,厚度为74mm。该轴承属于角接触球轴承类别,结构设计适用于同时承受径向和轴向复合载荷的工况,常见于中等转速及较高精度要求的应用场景。
在性能方面,该型号具有可调整的接触角特性,能够提供较好的刚性及运行稳定性。产品制造通常符合普通精度等级,适用于一般工业环境下的传动系统或支撑结构,例如大型电机、泵类设备或中型机械转台等场合。
其内部结构采用球体与滚道点接触设计,有助于降低运转摩擦,同时保持一定的轴向承载能力。选用时需注意配合安装方式及预紧调整,以确保性能发挥。该型号轴承在常规工作条件下表现出可靠的耐久性,但实际应用仍需结合具体载荷、转速及润滑条件进行综合评估。
7
9
8
8
A
M
7:角接触球轴承
9:尺寸系列:超轻 19 系列
88:内径:440 mm
A:接触角 30°
M:实体黄铜保持架
7:
角接触球轴承
9:
尺寸系列:超轻 19 系列
88:
内径:440 mm
A:
接触角 30°
M:
实体黄铜保持架
公称型号(按保持器区分) | ||
冲压钢 | ||
尼龙 | 7988ATN | |
车削铜 | 7988AM | |
主要尺寸(mm) | ||
内径 | d | 440 |
外径 | D | 600 |
厚度 | B | 74 |
r(min) | 4 | |
r1(min) | 1.5 | |
接触角 | ||
α(度) | 30° | |
额定载荷(KN) | ||
动载荷 | Cr(单列) | 445 |
基本额定静载荷 | Cor(单列) | 860 |
系数 | ||
f0 | — | |
限制速度(rpm) | ||
脂润滑 | ||
油润滑 | ||
载荷中心(mm) | ||
a(单列) | 187 | |
安装尺寸(mm) | ||
da(min) | 458 | |
Da(max) | 582 | |
ra(max) | 3 | |
db(min) | ||
Db(max) | ||
rb(max) | 1.5 | |
重量(kg) | ||
单列 | 59.3 |

商品 | 品牌 | 主要尺寸 | 发货仓 | 产地 | 库存 | 含税单价 | VIP价 | 操作 |