产品分类

7984BM轴承
类型:【角接触球轴承 - 角接触球轴承】
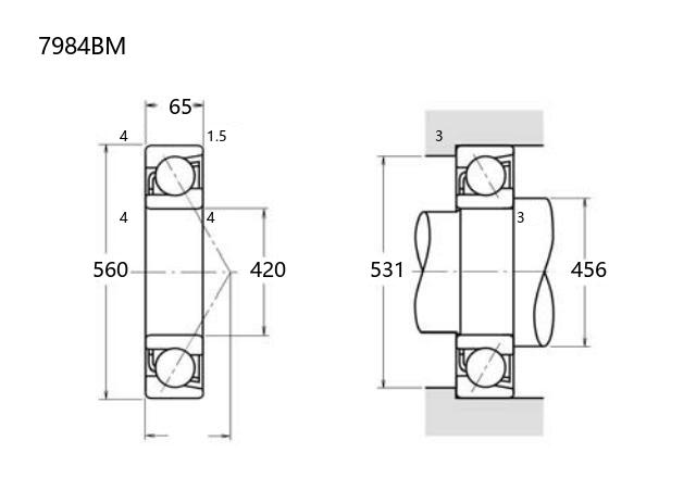
基本尺寸:内径:420 mm,外径:560 mm,厚度:65 mm。
价格区间:¥0 - ¥0【详情】
后缀列表:【B:接触角 40°】【M:实体黄铜保持架】
7984BM角接触球轴承的内径为420mm,外径560mm,厚度65mm,属于中大型轴承规格。此类轴承设计用于承受复合载荷,具备较高的轴向和径向承载能力,适合高速运转场合。其接触角结构可调整刚性,常见于高精度设备中。
该型号属于普通精度等级,涵盖P0、P6或P5级,可满足不同工况对旋转精度和稳定性的基础需求。典型应用包括工业传动装置、中型机床主轴或通用机械旋转部件,适用于中等载荷及转速环境。
角接触球轴承需配对安装或通过预紧调整性能,安装时需注意载荷方向与配置方式。维护中应确保润滑充分,以延长使用寿命并控制运行温度。选用时需结合具体负载、转速及精度要求进行综合评估。
7
9
8
4
B
M
7:角接触球轴承
9:尺寸系列:超轻 19 系列
84:内径:420 mm
B:接触角 40°
M:实体黄铜保持架
7:
角接触球轴承
9:
尺寸系列:超轻 19 系列
84:
内径:420 mm
B:
接触角 40°
M:
实体黄铜保持架
公称型号(按保持器区分) | ||
冲压钢 | ||
尼龙 | 7984BTN | |
车削铜 | 7984BM | |
主要尺寸(mm) | ||
内径 | d | 420 |
外径 | D | 560 |
厚度 | B | 65 |
r(min) | 4 | |
r1(min) | 1.5 | |
接触角 | ||
α(度) | 40° | |
额定载荷(KN) | ||
动载荷 | Cr(单列) | 365 |
基本额定静载荷 | Cor(单列) | 720 |
系数 | ||
f0 | — | |
限制速度(rpm) | ||
脂润滑 | ||
油润滑 | ||
载荷中心(mm) | ||
a(单列) | 238.1 | |
安装尺寸(mm) | ||
da(min) | 456 | |
Da(max) | 531 | |
ra(max) | 3 | |
db(min) | — | |
Db(max) | 539 | |
rb(max) | 1.5 | |
重量(kg) | ||
单列 | 44.4 |

商品 | 品牌 | 主要尺寸 | 发货仓 | 产地 | 库存 | 含税单价 | VIP价 | 操作 |