产品分类

7968BM轴承
类型:【角接触球轴承 - 角接触球轴承】
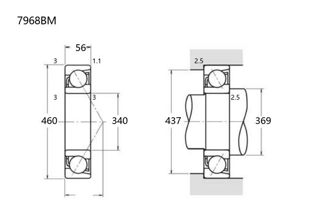
基本尺寸:内径:340 mm,外径:460 mm,厚度:56 mm。
价格区间:¥0 - ¥0【详情】
后缀列表:【B:接触角 40°】【M:实体黄铜保持架】
7968BM角接触球轴承内径为340毫米,外径460毫米,厚度56毫米,属于单列角接触球轴承系列。该型号设计适用于承受径向和轴向联合载荷,接触角结构能够提供较高的轴向刚性。其普通级精度涵盖P0、P6及P5等级,可满足不同工况下的旋转精度和运行稳定性需求。
该轴承常见于中等转速及较高载荷的应用场景,例如工业传动系统、大型机械设备或重型支撑结构。其尺寸规格适合重载环境,同时保持相对紧凑的轴向空间占用。在安装时需注意预紧力和对中调整,以确保载荷分布均匀和寿命优化。
维护时应定期检查润滑状态和运行温度,避免过载或润滑不良导致的早期失效。该型号轴承的性能平衡,在通用工业领域具有较高的适用性。
7
9
6
8
B
M
7:角接触球轴承
9:尺寸系列:超轻 19 系列
68:内径:340 mm
B:接触角 40°
M:实体黄铜保持架
7:
角接触球轴承
9:
尺寸系列:超轻 19 系列
68:
内径:340 mm
B:
接触角 40°
M:
实体黄铜保持架
公称型号(按保持器区分) | ||
冲压钢 | ||
尼龙 | 7968BTN | |
车削铜 | 7968BM | |
主要尺寸(mm) | ||
内径 | d | 340 |
外径 | D | 460 |
厚度 | B | 56 |
r(min) | 3 | |
r1(min) | 1.1 | |
接触角 | ||
α(度) | 40° | |
额定载荷(KN) | ||
动载荷 | Cr(单列) | 292 |
基本额定静载荷 | Cor(单列) | 510 |
系数 | ||
f0 | — | |
限制速度(rpm) | ||
脂润滑 | ||
油润滑 | ||
载荷中心(mm) | ||
a(单列) | 195.8 | |
安装尺寸(mm) | ||
da(min) | 369 | |
Da(max) | 437 | |
ra(max) | 2.5 | |
db(min) | — | |
Db(max) | 443 | |
rb(max) | 1 | |
重量(kg) | ||
单列 | 27.2 |

商品 | 品牌 | 主要尺寸 | 发货仓 | 产地 | 库存 | 含税单价 | VIP价 | 操作 |