产品分类

7960ATN轴承
类型:【角接触球轴承 - 角接触球轴承】
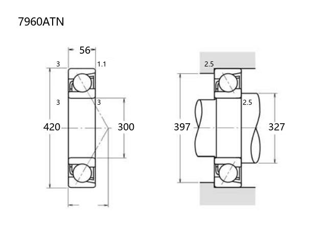
基本尺寸:内径:300 mm,外径:420 mm,厚度:56 mm。
价格区间:¥0 - ¥0【详情】
后缀列表:【A:接触角 30°】【TN:尼龙聚酰胺树脂保持架】
7960ATN角接触球轴承内径为300mm,外径420mm,厚度56mm,属于中大型轴承规格。该型号采用角接触结构设计,能够同时承受径向和轴向载荷,适用于较高转速工况。轴承采用普通级精度制造,可满足常规工业应用对运行平稳性的基本要求。
此类轴承通常安装在需要调整轴向游隙的场合,通过成对安装可进一步提升系统刚性。其结构特点使其在主轴传动、齿轮箱等设备中具有广泛适用性,能够胜任中等负荷的传动需求。轴承采用的保持架设计和润滑方案可根据实际应用条件进行适配。
在安装时需注意控制预紧力,确保轴承在工作温度范围内保持适当的接触角。建议在使用过程中定期检查润滑状态,及时补充或更换润滑剂以维持最佳运行性能。该型号轴承作为标准部件,其尺寸参数符合通用规范,便于设备维护时的更换与配套。
7
9
6
0
A
T
N
7:角接触球轴承
9:尺寸系列:超轻 19 系列
60:内径:300 mm
A:接触角 30°
TN:尼龙聚酰胺树脂保持架
7:
角接触球轴承
9:
尺寸系列:超轻 19 系列
60:
内径:300 mm
A:
接触角 30°
TN:
尼龙聚酰胺树脂保持架
公称型号(按保持器区分) | ||
冲压钢 | ||
尼龙 | 7960ATN | |
车削铜 | 7960AM | |
主要尺寸(mm) | ||
内径 | d | 300 |
外径 | D | 420 |
厚度 | B | 56 |
r(min) | 3 | |
r1(min) | 1.1 | |
接触角 | ||
α(度) | 30° | |
额定载荷(KN) | ||
动载荷 | Cr(单列) | 315 |
基本额定静载荷 | Cor(单列) | 500 |
系数 | ||
f0 | — | |
限制速度(rpm) | ||
脂润滑 | ||
油润滑 | ||
载荷中心(mm) | ||
a(单列) | 131.9 | |
安装尺寸(mm) | ||
da(min) | 327 | |
Da(max) | 397 | |
ra(max) | 2.5 | |
db(min) | — | |
Db(max) | 404 | |
rb(max) | 1 | |
重量(kg) | ||
单列 | 24.4 |

商品 | 品牌 | 主要尺寸 | 发货仓 | 产地 | 库存 | 含税单价 | VIP价 | 操作 |