产品分类

7956AM轴承
类型:【角接触球轴承 - 角接触球轴承】
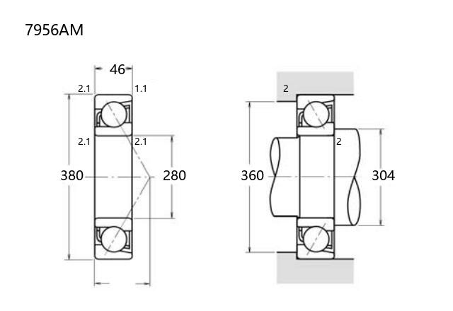
基本尺寸:内径:280 mm,外径:380 mm,厚度:46 mm。
价格区间:¥9058.5 - ¥34574.4【详情】
后缀列表:【A:接触角 30°】【M:机加工黄铜保持架】
7956AM型角接触球轴承内径为280mm,外径380mm,厚度46mm,属于中大型轴承规格。该轴承采用角接触结构设计,能够同时承受径向和轴向复合载荷,适用于中等转速及较高精度要求的应用场景。其接触角通常为15°、25°或40°等不同配置,具体角度需根据实际产品规格确定。
该型号轴承多用于工业传动设备、中型电机主轴或精密旋转平台等场合,能够提供稳定的旋转支撑和轴向定位功能。由于采用普通级(P0/P6/P5级)制造标准,其尺寸精度和运行性能可满足常规工业需求。部分型号可能会采用实体黄铜保持架或冲压钢保持架设计,以适配不同工况要求。
在使用时需注意配合适当的润滑方式和安装预紧力,以确保轴承性能充分发挥。该型号轴承通常不单独使用,而是以成对或组合形式安装,通过预紧调整可进一步提升系统刚性。其具体性能参数需参考制造商提供的技术资料予以确认。
7
9
5
6
A
M
7:角接触球轴承
9:尺寸系列:超轻 19 系列
56:内径:280 mm
A:接触角 30°
M:机加工黄铜保持架
7:
角接触球轴承
9:
尺寸系列:超轻 19 系列
56:
内径:280 mm
A:
接触角 30°
M:
机加工黄铜保持架
公称型号(按保持器区分) | ||
冲压钢 | ||
尼龙 | 7956ATN | |
车削铜 | 7956AM | |
主要尺寸(mm) | ||
内径 | d | 280 |
外径 | D | 380 |
厚度 | B | 46 |
r(min) | 2.1 | |
r1(min) | 1.1 | |
接触角 | ||
α(度) | 30° | |
额定载荷(KN) | ||
动载荷 | Cr(单列) | 245 |
基本额定静载荷 | Cor(单列) | 375 |
系数 | ||
f0 | — | |
限制速度(rpm) | ||
脂润滑 | ||
油润滑 | ||
载荷中心(mm) | ||
a(单列) | 118.3 | |
安装尺寸(mm) | ||
da(min) | 304 | |
Da(max) | 360 | |
ra(max) | 2 | |
db(min) | — | |
Db(max) | 365 | |
rb(max) | 1 | |
重量(kg) | ||
单列 | 15 |

商品 | 品牌 | 主要尺寸 | 发货仓 | 产地 | 库存 | 含税单价 | VIP价 | 操作 |
FAG 71956-MP-P5#E轴承 单列角接触球轴承 |
FAG | 280 X 380 X 46 | 华南 | 原产地 | 2 | 10145.52 | ¥9058.5 | |
FAG 71956-MP-P5轴承 单列角接触球轴承 |
FAG | 280 X 380 X 46 | 华东 | 国外产地 | 2 | 34574.4 | ¥30870 | |