产品分类

7948BM轴承
类型:【角接触球轴承 - 角接触球轴承】
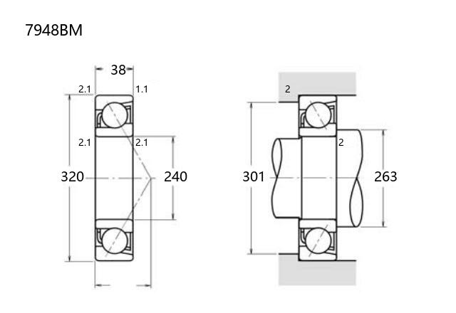
基本尺寸:内径:240 mm,外径:320 mm,厚度:38 mm。
价格区间:¥0 - ¥0【详情】
后缀列表:【B:接触角 40°】【M:实体黄铜保持架】
7948BM属于角接触球轴承系列,其内径为240毫米,外径320毫米,厚度38毫米。该型号设计适用于承受径向和轴向联合载荷,常见于中等转速的应用场景。其接触角设计有助于提升轴向负载能力,同时保持一定的径向支撑性能。
在材料方面,7948BM通常采用高品质钢制套圈和滚动体,确保耐磨性和使用寿命。保持架多由金属或工程塑料制成,以适应不同的运转条件。该轴承属于普通精度等级,涵盖P0、P6或P5级,可满足一般工业设备的精度需求。
典型应用包括中型电机、传动装置或泵类设备,适用于负载较平稳且需一定轴向刚度的场合。安装时需注意配对使用或预紧调整,以保证性能发挥。维护中应定期检查润滑状态,避免过量负载或冲击,以延长使用寿命。
7
9
4
8
B
M
7:角接触球轴承
9:尺寸系列:超轻 19 系列
48:内径:240 mm
B:接触角 40°
M:实体黄铜保持架
7:
角接触球轴承
9:
尺寸系列:超轻 19 系列
48:
内径:240 mm
B:
接触角 40°
M:
实体黄铜保持架
公称型号(按保持器区分) | ||
冲压钢 | ||
尼龙 | 7948BTN | |
车削铜 | 7948BM | |
主要尺寸(mm) | ||
内径 | d | 240 |
外径 | D | 320 |
厚度 | B | 38 |
r(min) | 2.1 | |
r1(min) | 1.1 | |
接触角 | ||
α(度) | 40° | |
额定载荷(KN) | ||
动载荷 | Cr(单列) | 161 |
基本额定静载荷 | Cor(单列) | 233 |
系数 | ||
f0 | — | |
限制速度(rpm) | ||
脂润滑 | ||
油润滑 | ||
载荷中心(mm) | ||
a(单列) | 136.5 | |
安装尺寸(mm) | ||
da(min) | 263 | |
Da(max) | 301 | |
ra(max) | 2 | |
db(min) | — | |
Db(max) | 306 | |
rb(max) | 1 | |
重量(kg) | ||
单列 | 8.43 |

商品 | 品牌 | 主要尺寸 | 发货仓 | 产地 | 库存 | 含税单价 | VIP价 | 操作 |