产品分类

7944BTN轴承
类型:【角接触球轴承 - 角接触球轴承】
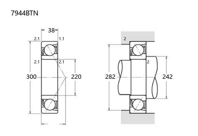
基本尺寸:内径:220 mm,外径:300 mm,厚度:38 mm。
价格区间:¥0 - ¥0【详情】
后缀列表:【B:接触角 40°】【TN:聚酰胺树脂(尼龙)保持架】
7944BTN属于角接触球轴承,其结构为单列设计,适用于中等转速及高精度要求的应用场景。该型号内径为220毫米,外径300毫米,厚度38毫米,尺寸规格符合常见的工业标准。作为角接触球轴承,其接触角设计可同时承受径向和轴向载荷,尤其适用于复合负载工况。
该轴承通常采用普通级精度,涵盖P0、P6或P5等级别,能够满足一般工业设备的运行需求。其结构特点包括实体黄铜保持架和增强的滚道设计,有助于提升运转稳定性与使用寿命。常见的应用领域包括中型机床主轴、通用减速设备及工业传动系统,也可用于某些泵类或电机支撑部位。
在安装时需注意角接触轴承的配对使用要求,通常需根据预紧力和轴向游隙进行调试。维护中应确保润滑充分,避免过热或污染,以保持其性能表现。该型号轴承具有较好的通用性,但具体选型仍需结合实际工况参数进行综合评估。
7
9
4
4
B
T
N
7:角接触球轴承
9:尺寸系列:超轻 19 系列
44:内径:220 mm
B:接触角 40°
TN:聚酰胺树脂(尼龙)保持架
7:
角接触球轴承
9:
尺寸系列:超轻 19 系列
44:
内径:220 mm
B:
接触角 40°
TN:
聚酰胺树脂(尼龙)保持架
公称型号(按保持器区分) | ||
冲压钢 | ||
尼龙 | 7944BTN | |
车削铜 | 7944BM | |
主要尺寸(mm) | ||
内径 | d | 220 |
外径 | D | 300 |
厚度 | B | 38 |
r(min) | 2.1 | |
r1(min) | 1.1 | |
接触角 | ||
α(度) | 40° | |
额定载荷(KN) | ||
动载荷 | Cr(单列) | 153 |
基本额定静载荷 | Cor(单列) | 208 |
系数 | ||
f0 | — | |
限制速度(rpm) | ||
脂润滑 | ||
油润滑 | ||
载荷中心(mm) | ||
a(单列) | 128.1 | |
安装尺寸(mm) | ||
da(min) | 242 | |
Da(max) | 282 | |
ra(max) | 2 | |
db(min) | — | |
Db(max) | 287 | |
rb(max) | 1 | |
重量(kg) | ||
单列 | 7.59 |

商品 | 品牌 | 主要尺寸 | 发货仓 | 产地 | 库存 | 含税单价 | VIP价 | 操作 |