产品分类

7944AM轴承
类型:【角接触球轴承 - 角接触球轴承】
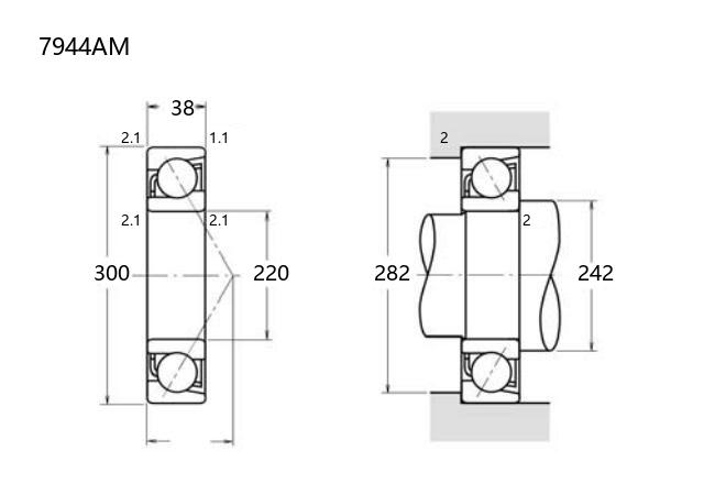
基本尺寸:内径:220 mm,外径:300 mm,厚度:38 mm。
价格区间:¥6208.14 - ¥7139.36【详情】
后缀列表:【A:接触角 30°】【M:机加工黄铜保持架】
7944AM型角接触球轴承的内径为220毫米,外径为300毫米,厚度为38毫米,属于中大型轴承规格。该轴承采用角接触设计,能够同时承受径向和轴向载荷,适用于中等转速及复合载荷工况。其接触角通常为15°、25°或40°,具体数值需根据实际设计而定,这类结构有助于提升轴系的刚性精度。
该型号属于普通精度等级产品,涵盖P0、P6或P5级制造标准,可满足一般工业设备对运转精度与可靠性的基础要求。常见应用领域包括中型工业泵、传动系统、通用电机及中等载荷齿轮箱等场景。角接触球轴承通常以配对形式使用以提高承载性能,亦可作为单套轴承用于空间受限的支撑结构。
制造材料多采用高碳铬钢,并经过适当的热处理工艺以增强耐磨性和疲劳寿命。润滑方式可根据实际工况选择脂润滑或油润滑,安装时需注意调整预紧力以保证运行稳定性。此类轴承在工业传动领域具有较为广泛的应用基础。
7
9
4
4
A
M
7:角接触球轴承
9:尺寸系列:超轻 19 系列
44:内径:220 mm
A:接触角 30°
M:机加工黄铜保持架
7:
角接触球轴承
9:
尺寸系列:超轻 19 系列
44:
内径:220 mm
A:
接触角 30°
M:
机加工黄铜保持架
公称型号(按保持器区分) | ||
冲压钢 | ||
尼龙 | 7944ATN | |
车削铜 | 7944AM | |
主要尺寸(mm) | ||
内径 | d | 220 |
外径 | D | 300 |
厚度 | B | 38 |
r(min) | 2.1 | |
r1(min) | 1.1 | |
接触角 | ||
α(度) | 30° | |
额定载荷(KN) | ||
动载荷 | Cr(单列) | 172 |
基本额定静载荷 | Cor(单列) | 233 |
系数 | ||
f0 | — | |
限制速度(rpm) | ||
脂润滑 | ||
油润滑 | ||
载荷中心(mm) | ||
a(单列) | 94.1 | |
安装尺寸(mm) | ||
da(min) | 242 | |
Da(max) | 282 | |
ra(max) | 2 | |
db(min) | — | |
Db(max) | 287 | |
rb(max) | 1 | |
重量(kg) | ||
单列 | 7.6 |

商品 | 品牌 | 主要尺寸 | 发货仓 | 产地 | 库存 | 含税单价 | VIP价 | 操作 |
FAG 71944-MP轴承 单列角接触球轴承 |
FAG | 220 X 300 X 38 | 华东 | 意大利 | 13 | 7139.36 | ¥6208.14 | |