产品分类

7930ACTN轴承
类型:【角接触球轴承 - 角接触球轴承】
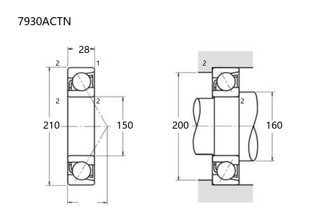
基本尺寸:内径:150 mm,外径:210 mm,厚度:28 mm。
价格区间:¥0 - ¥0【详情】
后缀列表:【AC:接触角 25°】【TN:聚酰胺树脂(尼龙)保持架】
7930ACTN角接触球轴承内径为150毫米,外径210毫米,厚度28毫米,属于中小型尺寸规格。该轴承设计用于同时承受径向和轴向载荷,接触角优化了轴向负荷能力,适用于中等转速工况。其结构采用单列设计,具有刚性较高和运行平稳的特点。
该型号轴承通常采用常规精度等级,如P0级或P5、P6级,能够满足一般工业设备的应用需求。常见于泵类、电机、传动系统等场合,尤其在需要控制轴向位移和提高运行精度的场景中表现良好。轴承的选材和热处理工艺保障了其基本耐久性和可靠性,但在实际使用中仍需配合适当的润滑和安装维护。
用户在选用时需结合具体负载、转速及环境条件进行综合评估,确保与其他部件匹配。此类轴承在通用机械领域有广泛的应用,但并非适用于极高负载或极端工况。
7
9
3
0
A
C
T
N
7:角接触球轴承
9:尺寸系列:超轻 19 系列
30:内径:150 mm
AC:接触角 25°
TN:聚酰胺树脂(尼龙)保持架
7:
角接触球轴承
9:
尺寸系列:超轻 19 系列
30:
内径:150 mm
AC:
接触角 25°
TN:
聚酰胺树脂(尼龙)保持架
公称型号(按保持器区分) | ||
冲压钢 | ||
尼龙 | 7930ACTN | |
车削铜 | 7930ACM | |
主要尺寸(mm) | ||
内径 | d | 150 |
外径 | D | 210 |
厚度 | B | 28 |
r(min) | 2 | |
r1(min) | 1 | |
接触角 | ||
α(度) | 25° | |
额定载荷(KN) | ||
动载荷 | Cr(单列) | 96.5 |
基本额定静载荷 | Cor(单列) | 115 |
系数 | ||
f0 | — | |
限制速度(rpm) | ||
脂润滑 | 3800 | |
油润滑 | 5000 | |
载荷中心(mm) | ||
a(单列) | 56 | |
安装尺寸(mm) | ||
da(min) | 160 | |
Da(max) | 200 | |
ra(max) | 2 | |
db(min) | — | |
Db(max) | 204 | |
rb(max) | 1 | |
重量(kg) | ||
单列 | 2.97 |

商品 | 品牌 | 主要尺寸 | 发货仓 | 产地 | 库存 | 含税单价 | VIP价 | 操作 |