产品分类

7928ACTN轴承
类型:【角接触球轴承 - 角接触球轴承】
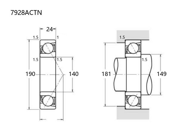
基本尺寸:内径:140 mm,外径:190 mm,厚度:24 mm。
价格区间:¥0 - ¥0【详情】
后缀列表:【AC:接触角 25°】【TN:聚酰胺树脂(尼龙)保持架】
7928ACTN是一款角接触球轴承,内径为140毫米,外径190毫米,厚度24毫米。该轴承属于角接触球轴承系列,适用于承受径向和轴向联合载荷的场合。其接触角设计可提供较高的轴向承载能力,常见于要求较高旋转精度的设备中。
该型号采用普通级精度,涵盖P0、P6或P5等级别,能够满足一般工业应用的运转需求。结构上通常采用实体窗式保持架,油脂润滑适应性良好,适用于中等转速工况。安装时需注意轴向预紧力的调整,以确保性能稳定。
此类轴承多用于机床主轴、泵类设备、电机或传动系统等场景,具有结构紧凑和负载支持均衡的特点。用户在选型时需结合具体载荷、转速及环境条件进行综合评估,以确保兼容性和使用寿命。维护中建议定期检查润滑状态和运行温度,以保持正常运转。
7
9
2
8
A
C
T
N
7:角接触球轴承
9:尺寸系列:超轻 19 系列
28:内径:140 mm
AC:接触角 25°
TN:聚酰胺树脂(尼龙)保持架
7:
角接触球轴承
9:
尺寸系列:超轻 19 系列
28:
内径:140 mm
AC:
接触角 25°
TN:
聚酰胺树脂(尼龙)保持架
公称型号(按保持器区分) | ||
冲压钢 | ||
尼龙 | 7928ACTN | |
车削铜 | 7928ACM | |
主要尺寸(mm) | ||
内径 | d | 140 |
外径 | D | 190 |
厚度 | B | 24 |
r(min) | 1.5 | |
r1(min) | 1 | |
接触角 | ||
α(度) | 25° | |
额定载荷(KN) | ||
动载荷 | Cr(单列) | 75 |
基本额定静载荷 | Cor(单列) | 90 |
系数 | ||
f0 | — | |
限制速度(rpm) | ||
脂润滑 | 4000 | |
油润滑 | 5600 | |
载荷中心(mm) | ||
a(单列) | 50.5 | |
安装尺寸(mm) | ||
da(min) | 149 | |
Da(max) | 181 | |
ra(max) | 1.5 | |
db(min) | — | |
Db(max) | 184 | |
rb(max) | 1 | |
重量(kg) | ||
单列 | 1.63 |

商品 | 品牌 | 主要尺寸 | 发货仓 | 产地 | 库存 | 含税单价 | VIP价 | 操作 |