产品分类

7926ACM轴承
类型:【角接触球轴承 - 角接触球轴承】
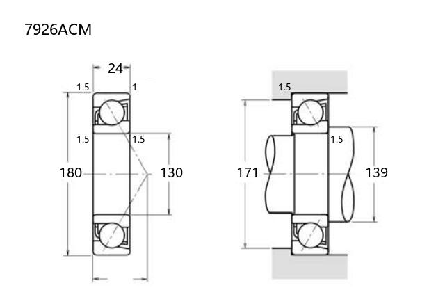
基本尺寸:内径:130 mm,外径:180 mm,厚度:24 mm。
价格区间:¥0 - ¥0【详情】
后缀列表:【AC:接触角 25°】【M:实体黄铜保持架】
7926ACM角接触球轴承的内径为130毫米,外径180毫米,厚度24毫米,属于中等尺寸的精密机械元件。该轴承设计用于承受径向和轴向联合载荷,接触角优化了轴向负荷能力,适用于较高转速工况。其结构通常包含实心外圈、内圈及一组精密球体和保持架,材料常见为铬钢或类似合金钢,经热处理提高耐磨性和疲劳寿命。
7926ACM属于角接触球轴承中的单个普通级产品,精度等级涵盖P0、P6或P5级,可满足不同应用对运转精度和刚性的需求。这类轴承常见于中型电机、泵类设备、传动系统及工业机械中,尤其适合需要调整轴向游隙或成对安装的场合。使用时需注意配合公差和润滑条件,以发挥其性能并延长使用寿命。
7
9
2
6
A
C
M
7:角接触球轴承
9:尺寸系列:超轻 19 系列
26:内径:130 mm
AC:接触角 25°
M:实体黄铜保持架
7:
角接触球轴承
9:
尺寸系列:超轻 19 系列
26:
内径:130 mm
AC:
接触角 25°
M:
实体黄铜保持架
公称型号(按保持器区分) | ||
冲压钢 | ||
尼龙 | 7926ACTN | |
车削铜 | 7926ACM | |
主要尺寸(mm) | ||
内径 | d | 130 |
外径 | D | 180 |
厚度 | B | 24 |
r(min) | 1.5 | |
r1(min) | 1 | |
接触角 | ||
α(度) | 25° | |
额定载荷(KN) | ||
动载荷 | Cr(单列) | 74 |
基本额定静载荷 | Cor(单列) | 86 |
系数 | ||
f0 | — | |
限制速度(rpm) | ||
脂润滑 | 4300 | |
油润滑 | 6000 | |
载荷中心(mm) | ||
a(单列) | 48.1 | |
安装尺寸(mm) | ||
da(min) | 139 | |
Da(max) | 171 | |
ra(max) | 1.5 | |
db(min) | — | |
Db(max) | 174 | |
rb(max) | 1 | |
重量(kg) | ||
单列 | 1.54 |

商品 | 品牌 | 主要尺寸 | 发货仓 | 产地 | 库存 | 含税单价 | VIP价 | 操作 |