产品分类

7918ACTN轴承
类型:【角接触球轴承 - 角接触球轴承】
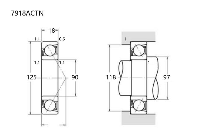
基本尺寸:内径:90 mm,外径:125 mm,厚度:18 mm。
价格区间:¥0 - ¥0【详情】
后缀列表:【AC:接触角 25°】【TN:尼龙聚酰胺树脂保持架】
7918ACTN属于角接触球轴承,其内径为90毫米,外径为125毫米,厚度为18毫米。该轴承采用接触角设计,能够同时承受径向和轴向载荷,适用于高速旋转及复合负载工况。保持架结构有助于优化内部载荷分布,提升运转平稳性。
此类轴承常见于普通精度等级,涵盖P0、P6或P5级,可满足一般工业应用对精度和刚度的基本需求。其紧凑的截面设计适用于空间受限的安装环境,例如小型机床主轴、电机或齿轮箱等场合。
选用时需注意根据实际工况确认预紧力和润滑条件,以确保性能发挥。该型号轴承在中等转速及负载条件下表现稳定,但具体应用需结合设备要求和环境因素综合评估。
7
9
1
8
A
C
T
N
7:角接触球轴承
9:尺寸系列:超轻 19 系列
18:内径:90 mm
AC:接触角 25°
TN:尼龙聚酰胺树脂保持架
7:
角接触球轴承
9:
尺寸系列:超轻 19 系列
18:
内径:90 mm
AC:
接触角 25°
TN:
尼龙聚酰胺树脂保持架
公称型号(按保持器区分) | ||
冲压钢 | ||
尼龙 | 7918ACTN | |
车削铜 | ||
主要尺寸(mm) | ||
内径 | d | 90 |
外径 | D | 125 |
厚度 | B | 18 |
r(min) | 1.1 | |
r1(min) | 0.6 | |
接触角 | ||
α(度) | 25° | |
额定载荷(KN) | ||
动载荷 | Cr(单列) | 39.5 |
基本额定静载荷 | Cor(单列) | 43.5 |
系数 | ||
f0 | — | |
限制速度(rpm) | ||
脂润滑 | 6300 | |
油润滑 | 8500 | |
载荷中心(mm) | ||
a(单列) | 34.1 | |
安装尺寸(mm) | ||
da(min) | 97 | |
Da(max) | 118 | |
ra(max) | 1 | |
db(min) | — | |
Db(max) | 120 | |
rb(max) | 0.6 | |
重量(kg) | ||
单列 | 0.56 |

商品 | 品牌 | 主要尺寸 | 发货仓 | 产地 | 库存 | 含税单价 | VIP价 | 操作 |