产品分类

7913ACTN轴承
类型:【角接触球轴承 - 角接触球轴承】
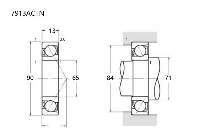
基本尺寸:内径:65 mm,外径:90 mm,厚度:13 mm。
价格区间:¥0 - ¥0【详情】
后缀列表:【AC:接触角 25°】【TN:尼龙聚酰胺树脂保持架】
7913ACTN是一款角接触球轴承,内径为65毫米,外径90毫米,厚度13毫米。该型号属于常见的角接触球轴承系列,适用于中高速运转场合,能够承受径向和轴向联合载荷。其接触角设计有助于提升轴向刚性,常见于需要较高精度和稳定性的设备中。
该轴承通常采用普通级精度制造,涵盖P0、P6或P5等级别,适用于一般工业环境。在安装时需注意配对使用或预紧调整,以满足不同工况下的性能需求。其结构紧凑,适用于空间受限的应用,如小型电机、泵类或传动装置。
材料方面,7913ACTN多采用铬钢标准材质,具有一定的耐磨性和疲劳寿命。在实际应用中,需配合适当的润滑和密封措施,以优化其性能并延长使用寿命。该型号轴承广泛用于通用机械领域,但具体选型需结合实际负载、转速及环境条件综合评估。
7
9
1
3
A
C
T
N
7:角接触球轴承
9:尺寸系列:超轻 19 系列
13:内径:65 mm
AC:接触角 25°
TN:尼龙聚酰胺树脂保持架
7:
角接触球轴承
9:
尺寸系列:超轻 19 系列
13:
内径:65 mm
AC:
接触角 25°
TN:
尼龙聚酰胺树脂保持架
公称型号(按保持器区分) | ||
冲压钢 | ||
尼龙 | 7913ACTN | |
车削铜 | ||
主要尺寸(mm) | ||
内径 | d | 65 |
外径 | D | 90 |
厚度 | B | 13 |
r(min) | 1 | |
r1(min) | 0.6 | |
接触角 | ||
α(度) | 25° | |
额定载荷(KN) | ||
动载荷 | Cr(单列) | 19.1 |
基本额定静载荷 | Cor(单列) | 19.4 |
系数 | ||
f0 | — | |
限制速度(rpm) | ||
脂润滑 | 9000 | |
油润滑 | 12000 | |
载荷中心(mm) | ||
a(单列) | 24.6 | |
安装尺寸(mm) | ||
da(min) | 71 | |
Da(max) | 84 | |
ra(max) | 1 | |
db(min) | — | |
Db(max) | 85 | |
rb(max) | 0.6 | |
重量(kg) | ||
单列 | 0.211 |

商品 | 品牌 | 主要尺寸 | 发货仓 | 产地 | 库存 | 含税单价 | VIP价 | 操作 |