产品分类

7896AM轴承
类型:【角接触球轴承 - 角接触球轴承】
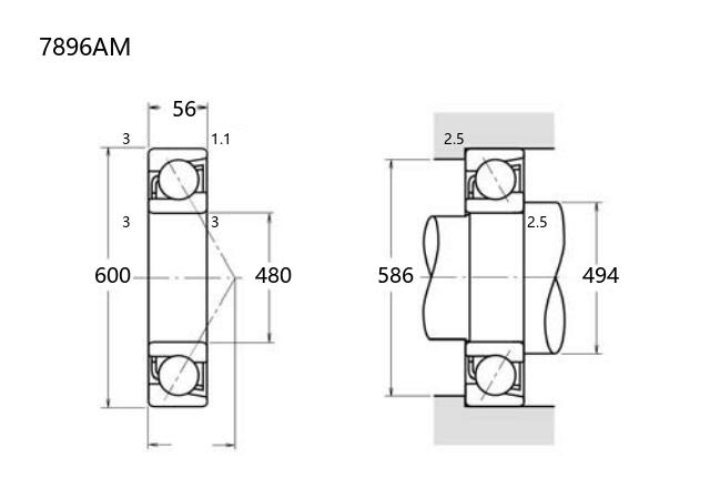
基本尺寸:内径:480 mm,外径:600 mm,厚度:56 mm。
价格区间:¥0 - ¥0【详情】
后缀列表:【A:接触角 30°】【M:实体黄铜保持架】
7896AM角接触球轴承的内径为480mm,外径600mm,厚度56mm,属于中型尺寸的滚动轴承。该型号采用角接触设计,能够同时承受径向和轴向载荷,适用于中高速运转条件。其接触角通常经过优化,以提供稳定的刚性及旋转精度。
该轴承属于普通精度等级,涵盖P0、P6或P5级,可满足不同应用场景对运行平稳性和精度的一般需求。常见应用领域包括中型工业传动设备、通用机械及某些专用旋转支撑结构。在安装时需注意配对使用或预紧调整,以确保载荷合理分布。
结构上通常采用淬硬钢作为材料,具备一定的耐磨性和疲劳强度。用户在选择时需结合具体工况,综合考虑载荷类型、转速范围及环境条件,以确保匹配系统需求。维护中建议定期检查润滑状态及运行情况,以延长使用寿命。
7
8
9
6
A
M
7:角接触球轴承
8:尺寸系列:超轻 18 系列
96:内径:480 mm
A:接触角 30°
M:实体黄铜保持架
7:
角接触球轴承
8:
尺寸系列:超轻 18 系列
96:
内径:480 mm
A:
接触角 30°
M:
实体黄铜保持架
公称型号(按保持器区分) | ||
冲压钢 | ||
尼龙 | 7896ATN | |
车削铜 | 7896AM | |
主要尺寸(mm) | ||
内径 | d | 480 |
外径 | D | 600 |
厚度 | B | 56 |
r(min) | 3 | |
r1(min) | 1.1 | |
接触角 | ||
α(度) | 30° | |
额定载荷(KN) | ||
动载荷 | Cr(单列) | 390 |
基本额定静载荷 | Cor(单列) | 760 |
系数 | ||
f0 | — | |
限制速度(rpm) | ||
脂润滑 | ||
油润滑 | ||
载荷中心(mm) | ||
a(单列) | 184 | |
安装尺寸(mm) | ||
da(min) | 494 | |
Da(max) | 586 | |
ra(max) | 2.5 | |
db(min) | ||
Db(max) | ||
rb(max) | 1 | |
重量(kg) | ||
单列 | 34.9 |

商品 | 品牌 | 主要尺寸 | 发货仓 | 产地 | 库存 | 含税单价 | VIP价 | 操作 |