产品分类

7884ATN轴承
类型:【角接触球轴承 - 角接触球轴承】
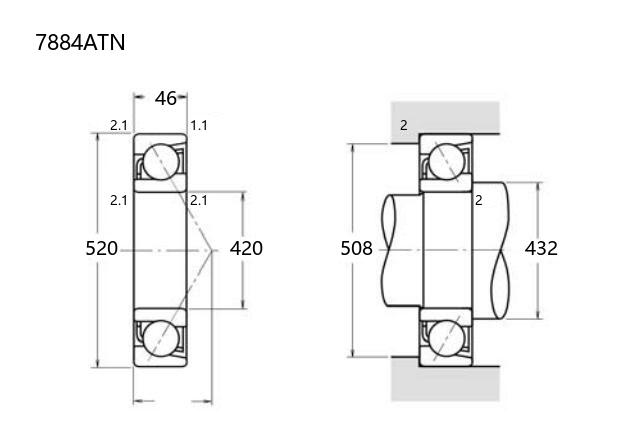
基本尺寸:内径:420 mm,外径:520 mm,厚度:46 mm。
价格区间:¥0 - ¥0【详情】
后缀列表:【A:接触角 30°】【TN:聚酰胺树脂(尼龙)保持架】
7884ATN角接触球轴承内径为420毫米,外径520毫米,厚度46毫米,属于中型尺寸轴承。该轴承设计用于承受联合载荷,具备较高的轴向刚性和转速适应性,常见于工业传动、重型设备及精密机械中。其接触角结构优化了载荷分布,有助于提升运行平稳性。
该型号属普通精度等级,涵盖P0、P6、P5级别,可满足不同工况对公差与旋转精度的基础需求。产品适配多种安装配置,需配合预紧调整以确保性能发挥。应用时需注意载荷方向与润滑条件,定期维护可延长使用寿命。
此类轴承适用于中等转速场景,在机床主轴、泵类设备或齿轮箱中均有使用。选型时需综合考虑工况参数,建议参考具体技术手册以确认适配性。
7
8
8
4
A
T
N
7:角接触球轴承
8:尺寸系列:超轻 18 系列
84:内径:420 mm
A:接触角 30°
TN:聚酰胺树脂(尼龙)保持架
7:
角接触球轴承
8:
尺寸系列:超轻 18 系列
84:
内径:420 mm
A:
接触角 30°
TN:
聚酰胺树脂(尼龙)保持架
公称型号(按保持器区分) | ||
冲压钢 | ||
尼龙 | 7884ATN | |
车削铜 | 7884AM | |
主要尺寸(mm) | ||
内径 | d | 420 |
外径 | D | 520 |
厚度 | B | 46 |
r(min) | 2.1 | |
r1(min) | 1.1 | |
接触角 | ||
α(度) | 30° | |
额定载荷(KN) | ||
动载荷 | Cr(单列) | 310 |
基本额定静载荷 | Cor(单列) | 555 |
系数 | ||
f0 | — | |
限制速度(rpm) | ||
脂润滑 | ||
油润滑 | ||
载荷中心(mm) | ||
a(单列) | 158.5 | |
安装尺寸(mm) | ||
da(min) | 432 | |
Da(max) | 508 | |
ra(max) | 2 | |
db(min) | ||
Db(max) | ||
rb(max) | 1 | |
重量(kg) | ||
单列 | 21.1 |

商品 | 品牌 | 主要尺寸 | 发货仓 | 产地 | 库存 | 含税单价 | VIP价 | 操作 |