产品分类

7860BTN轴承
类型:【角接触球轴承 - 角接触球轴承】
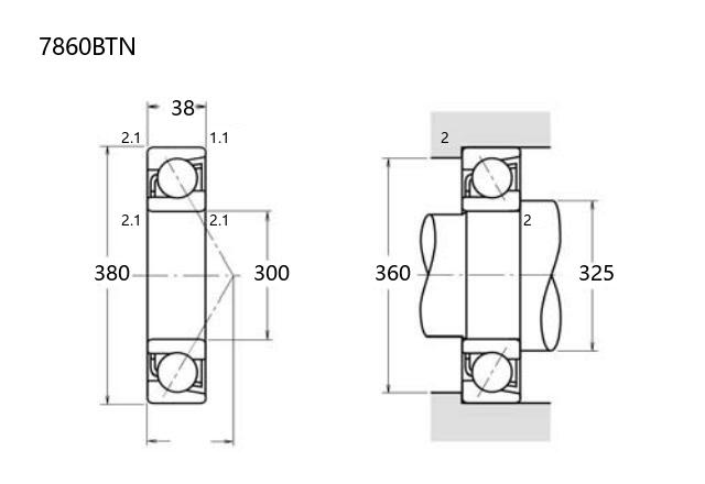
基本尺寸:内径:300 mm,外径:380 mm,厚度:38 mm。
价格区间:¥0 - ¥0【详情】
后缀列表:【B:接触角 40°】【TN:聚酰胺树脂(尼龙)保持架】
7860BTN型轴承属于角接触球轴承类别,其基本尺寸为内径300mm、外径380mm、厚度38mm。该轴承设计用于承受径向与轴向联合载荷,接触角结构使其具备较高的轴向承载能力和刚性,适用于中等转速工况。
在制造精度方面,该型号符合普通级标准,涵盖P0、P6或P5等级别,能够满足一般工业设备对运行平稳性和精度的要求。常见应用领域包括中型机床主轴、通用传动系统、泵类设备及某些专用机械的支撑结构,其尺寸设计适合重载且空间受限的安装环境。
需要注意的是,实际性能会受到润滑条件、安装对中性及工作温度等因素的影响。选型时需结合具体负载、转速和环境要求进行综合评估,并建议参考制造商提供的技术数据以确保匹配性。
7
8
6
0
B
T
N
7:角接触球轴承
8:尺寸系列:超轻 18 系列
60:内径:300 mm
B:接触角 40°
TN:聚酰胺树脂(尼龙)保持架
7:
角接触球轴承
8:
尺寸系列:超轻 18 系列
60:
内径:300 mm
B:
接触角 40°
TN:
聚酰胺树脂(尼龙)保持架
公称型号(按保持器区分) | ||
冲压钢 | ||
尼龙 | 7860BTN | |
车削铜 | 7860BM | |
主要尺寸(mm) | ||
内径 | d | 300 |
外径 | D | 380 |
厚度 | B | 38 |
r(min) | 2.1 | |
r1(min) | 1.1 | |
接触角 | ||
α(度) | 40° | |
额定载荷(KN) | ||
动载荷 | Cr(单列) | 182 |
基本额定静载荷 | Cor(单列) | 285 |
系数 | ||
f0 | — | |
限制速度(rpm) | ||
脂润滑 | ||
油润滑 | ||
载荷中心(mm) | ||
a(单列) | 161.6 | |
安装尺寸(mm) | ||
da(min) | 325 | |
Da(max) | 360 | |
ra(max) | 2 | |
db(min) | — | |
Db(max) | 365 | |
rb(max) | 1 | |
重量(kg) | ||
单列 | 9.91 |

商品 | 品牌 | 主要尺寸 | 发货仓 | 产地 | 库存 | 含税单价 | VIP价 | 操作 |