产品分类
7856BM轴承
更新日期:
类型:【角接触球轴承 - 角接触球轴承】
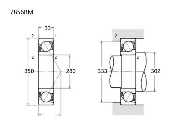
基本尺寸:内径:280 mm,外径:350 mm,厚度:33 mm。
价格区间:¥0 - ¥0【详情】
后缀列表:【B:接触角 40°】【M:实体黄铜保持架】
7856BM角接触球轴承的内径为280mm,外径350mm,厚度33mm,属于中大型尺寸规格。该型号采用钢球引导的实体黄铜保持架设计,可承受径向和轴向联合载荷,适用于中等转速及较高精度要求的应用场景。作为单列角接触球轴承,7856BM具有接触角稳定的特点,通常以背对背或面对面组配方式安装以提升承载性能。其制造精度符合普通级标准(P0/P6/P5级),可根据工况需求选择相应精度等级。该型号常见于工业传动设备、中型机床主轴等领域,使用时需注意保证安装同轴度并采用适当的预紧力调整方式。轴承的润滑方式可选择脂润滑或油润滑,具体需根据实际运行条件确定。
7
8
5
6
B
M
7:角接触球轴承
8:尺寸系列:超轻 18 系列
56:内径:280 mm
B:接触角 40°
M:实体黄铜保持架
7:
角接触球轴承
8:
尺寸系列:超轻 18 系列
56:
内径:280 mm
B:
接触角 40°
M:
实体黄铜保持架
| 公称型号(按保持器区分) | ||
| 品牌:CALOX | 冲压钢 | |
| 尼龙 | 7856BTN | |
| 车削铜 | 7856BM | |
| 主要尺寸(mm) | ||
| 内径 | d | 280 |
| 外径 | D | 350 |
| 厚度 | B![]() |
33 |
| 高可实测 | r(min) | 2 |
| r1(min) | 1 | |
| 接触角 | ||
α(度)![]() |
40° | |
| 额定载荷(KN) | ||
| 动载荷 | Cr(单列) | 128 |
| 基本额定静载荷 | Cor(单列) | 207 |
| 系数 | ||
| f0 | — | |
| 限制速度(rpm) | ||
| 高可计算 | 脂润滑 | |
| 油润滑 | ||
| 载荷中心(mm) | ||
| a(单列) | 148.7 | |
| 安装尺寸(mm) | ||
| 高可实测 | da(min) | 302 |
| Da(max) | 333 | |
| ra(max) | 2 | |
| db(min) | — | |
| Db(max) | 337 | |
| rb(max) | 1 | |
| 重量(kg) | ||
| 单列 | 7.03 | |
| 商品 | 品牌 | 主要尺寸 | 发货仓 | 产地 | 库存 | 含税单价 | VIP价 | 操作 |

.jpg)