产品分类

7848BTN轴承
类型:【角接触球轴承 - 角接触球轴承】
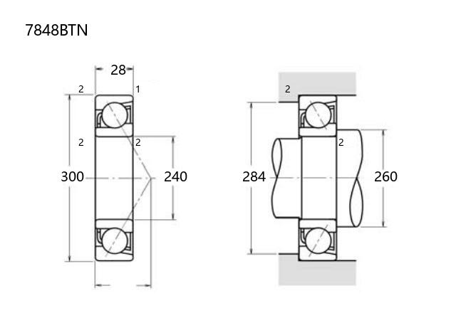
基本尺寸:内径:240 mm,外径:300 mm,厚度:28 mm。
价格区间:¥0 - ¥0【详情】
后缀列表:【B:接触角 40°】【TN:聚酰胺树脂(尼龙)保持架】
7848BTN属于角接触球轴承系列,其基本尺寸为内径240mm、外径300mm、厚度28mm,适用于中高负荷的旋转应用场景。该轴承采用角接触设计,能够同时承受径向和轴向载荷,常见于需要较高刚性和精度的设备中。其接触角通常为特定角度,以优化载荷分布并减少运转中的摩擦发热。
该型号属于普通精度等级(如P0、P6或P5级),可满足一般工业应用需求,例如中型机床主轴、传动系统或泵类设备。结构上可能采用实体套圈和钢球组合,配合保持架以确保运转稳定性。在安装时需注意载荷方向与轴承设计匹配,并保证适当的预紧与润滑,以延长使用寿命。
角接触球轴承在高速运转条件下表现良好,但实际性能需结合具体工况评估,包括转速、温度及维护条件等因素。选用时建议参考制造商提供的技术参数与指导说明。
7
8
4
8
B
T
N
7:角接触球轴承
8:尺寸系列:超轻 18 系列
48:内径:240 mm
B:接触角 40°
TN:聚酰胺树脂(尼龙)保持架
7:
角接触球轴承
8:
尺寸系列:超轻 18 系列
48:
内径:240 mm
B:
接触角 40°
TN:
聚酰胺树脂(尼龙)保持架
公称型号(按保持器区分) | ||
冲压钢 | ||
尼龙 | 7848BTN | |
车削铜 | 7848BM | |
主要尺寸(mm) | ||
内径 | d | 240 |
外径 | D | 300 |
厚度 | B | 28 |
r(min) | 2 | |
r1(min) | 1 | |
接触角 | ||
α(度) | 40° | |
额定载荷(KN) | ||
动载荷 | Cr(单列) | 97.5 |
基本额定静载荷 | Cor(单列) | 157 |
系数 | ||
f0 | — | |
限制速度(rpm) | ||
脂润滑 | ||
油润滑 | ||
载荷中心(mm) | ||
a(单列) | 127.3 | |
安装尺寸(mm) | ||
da(min) | 260 | |
Da(max) | 284 | |
ra(max) | 2 | |
db(min) | — | |
Db(max) | 288 | |
rb(max) | 1 | |
重量(kg) | ||
单列 | 4.35 |

商品 | 品牌 | 主要尺寸 | 发货仓 | 产地 | 库存 | 含税单价 | VIP价 | 操作 |