产品分类

7844AM轴承
类型:【角接触球轴承 - 角接触球轴承】
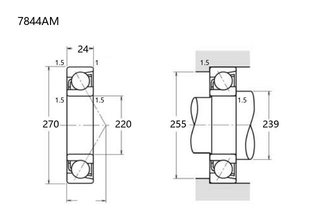
基本尺寸:内径:220 mm,外径:270 mm,厚度:24 mm。
价格区间:¥1597.15 - ¥1756.87【详情】
后缀列表:【A:接触角 30°】【M:实体黄铜保持架】
7844AM角接触球轴承的内径为220毫米,外径270毫米,厚度24毫米,属于中大型轴承规格。该轴承采用角接触设计,能够同时承受径向和轴向载荷,适用于较高转速的工况。其接触角通常为特定角度,以优化载荷分布并提升运转精度。
该型号属于普通精度等级,涵盖P0、P6或P5级别,可满足一般工业应用对刚性和旋转精度的基本要求。常见应用场景包括中型工业电机、传动系统、泵类设备及通用机械的支撑结构。其结构紧凑,安装方式灵活,既可单独使用也可配对布置以增强载荷能力。
制造材料通常采用高碳铬钢,经热处理后具备良好的耐磨性和疲劳强度。保持架多为冲压钢或工程塑料,以降低摩擦与温升。用户在选型时需结合实际载荷、转速及环境条件进行综合评估,确保匹配系统需求。维护中应注意润滑清洁与定期检查,以延长使用寿命。
7
8
4
4
A
M
7:角接触球轴承
8:尺寸系列:超轻 18 系列
44:内径:220 mm
A:接触角 30°
M:实体黄铜保持架
7:
角接触球轴承
8:
尺寸系列:超轻 18 系列
44:
内径:220 mm
A:
接触角 30°
M:
实体黄铜保持架
公称型号(按保持器区分) | ||
冲压钢 | ||
尼龙 | 7844ATN | |
车削铜 | 7844AM | |
主要尺寸(mm) | ||
内径 | d | 220 |
外径 | D | 270 |
厚度 | B | 24 |
r(min) | 1.5 | |
r1(min) | 1 | |
接触角 | ||
α(度) | 30° | |
额定载荷(KN) | ||
动载荷 | Cr(单列) | 85 |
基本额定静载荷 | Cor(单列) | 135 |
系数 | ||
f0 | — | |
限制速度(rpm) | ||
脂润滑 | ||
油润滑 | ||
载荷中心(mm) | ||
a(单列) | 82.7 | |
安装尺寸(mm) | ||
da(min) | 239 | |
Da(max) | 255 | |
ra(max) | 1.5 | |
db(min) | — | |
Db(max) | 258 | |
rb(max) | 1 | |
重量(kg) | ||
单列 | 2.84 |

商品 | 品牌 | 主要尺寸 | 发货仓 | 产地 | 库存 | 含税单价 | VIP价 | 操作 |
NSK 7844A轴承 单列角接触球轴承 |
NSK | 220 X 270 X 24 | 华东 | 日本 | 1 | 1756.87 | ¥1597.15 | |
NSK 7844A轴承 单列角接触球轴承 |
NSK | 220 X 270 X 24 | 华东 | 日本 | 1 | 1756.87 | ¥1597.15 | |