产品分类

7840BM轴承
类型:【角接触球轴承 - 角接触球轴承】
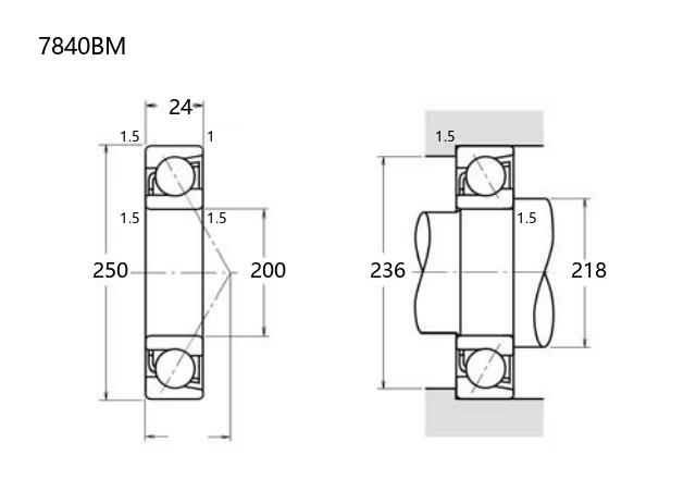
基本尺寸:内径:200 mm,外径:250 mm,厚度:24 mm。
价格区间:¥2083.74 - ¥2542.16【详情】
后缀列表:【B:接触角 40°】【M:实体黄铜保持架】
7840BM型角接触球轴承内径为200毫米,外径为250毫米,厚度为24毫米,属于中等规格的轴承产品。该轴承设计用于同时承受径向和轴向联合负荷,接触角结构使其在高速运转条件下具备较好的刚性及稳定性。其制造精度符合普通级别要求,可满足一般工业应用的基本需求。
该型号轴承常见于中等载荷和转速的设备中,例如通用机床主轴、泵类设备或传动系统支承部位。其结构紧凑,便于安装与维护,在常规工况下能提供可靠的性能表现。轴承的选材和热处理工艺均依据标准规范执行,确保了产品在正常使用条件下的耐久性。
用户在选择时需结合实际工况条件,综合考虑载荷特性、转速范围及环境因素。该型号轴承作为标准零部件,在机械传动领域具有较为广泛的应用基础。
7
8
4
0
B
M
7:角接触球轴承
8:尺寸系列:超轻 18 系列
40:内径:200 mm
B:接触角 40°
M:实体黄铜保持架
7:
角接触球轴承
8:
尺寸系列:超轻 18 系列
40:
内径:200 mm
B:
接触角 40°
M:
实体黄铜保持架
公称型号(按保持器区分) | ||
冲压钢 | ||
尼龙 | 7840BTN | |
车削铜 | 7840BM | |
主要尺寸(mm) | ||
内径 | d | 200 |
外径 | D | 250 |
厚度 | B | 24 |
r(min) | 1.5 | |
r1(min) | 1 | |
接触角 | ||
α(度) | 40° | |
额定载荷(KN) | ||
动载荷 | Cr(单列) | 73 |
基本额定静载荷 | Cor(单列) | 110 |
系数 | ||
f0 | — | |
限制速度(rpm) | ||
脂润滑 | ||
油润滑 | ||
载荷中心(mm) | ||
a(单列) | 106.4 | |
安装尺寸(mm) | ||
da(min) | 218 | |
Da(max) | 236 | |
ra(max) | 1.5 | |
db(min) | — | |
Db(max) | 239 | |
rb(max) | 1 | |
重量(kg) | ||
单列 | 2.59 |

商品 | 品牌 | 主要尺寸 | 发货仓 | 产地 | 库存 | 含税单价 | VIP价 | 操作 |
NSK 7840BX28轴承 单列角接触球轴承 |
NSK | 200 X 250 X 24 | 华东 | 日本 | 5 | 2542.16 | ¥2083.74 | |