产品分类

7838AM轴承
类型:【角接触球轴承 - 角接触球轴承】
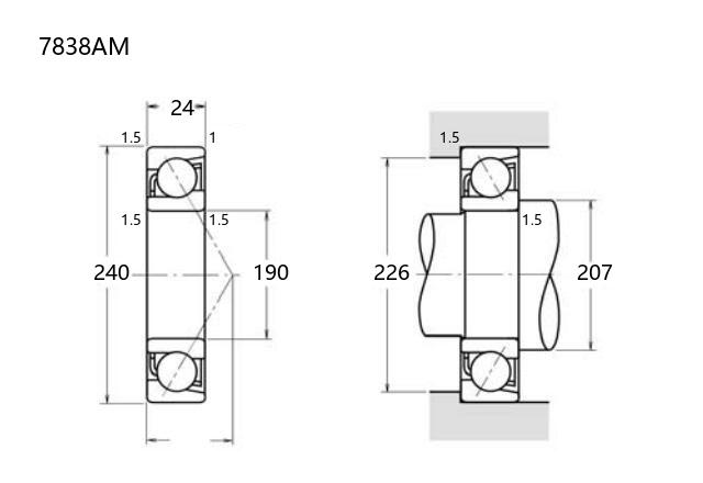
基本尺寸:内径:190 mm,外径:240 mm,厚度:24 mm。
价格区间:¥0 - ¥0【详情】
后缀列表:【A:接触角 30°】【M:实体黄铜保持架】
7838AM角接触球轴承的内径为190毫米,外径为240毫米,厚度为24毫米,属于角接触球轴承中的一种常见类型。该轴承设计用于承受径向和轴向联合载荷,特别适用于需要较高刚性和精度的应用场合。其接触角设计有助于提升轴向负荷能力,常见于中等转速和负载条件下。
在制造精度方面,该型号可按普通级公差生产,包括P0、P6或P5等级别,能够满足一般工业设备的运行需求。此类轴承通常应用于泵类设备、小型电机或通用传动系统中,发挥支撑和减少摩擦的作用。
结构上,7838AM采用单列设计,具备简单的安装和维护特点。用户在选择时需结合具体工况考虑负载方向、转速范围及环境条件,以确保兼容性和耐久性。该型号轴承在工业领域中具有较为广泛的应用基础。
7
8
3
8
A
M
7:角接触球轴承
8:尺寸系列:超轻 18 系列
38:内径:190 mm
A:接触角 30°
M:实体黄铜保持架
7:
角接触球轴承
8:
尺寸系列:超轻 18 系列
38:
内径:190 mm
A:
接触角 30°
M:
实体黄铜保持架
公称型号(按保持器区分) | ||
冲压钢 | ||
尼龙 | 7838ATN | |
车削铜 | 7838AM | |
主要尺寸(mm) | ||
内径 | d | 190 |
外径 | D | 240 |
厚度 | B | 24 |
r(min) | 1.5 | |
r1(min) | 1 | |
接触角 | ||
α(度) | 30° | |
额定载荷(KN) | ||
动载荷 | Cr(单列) | 82 |
基本额定静载荷 | Cor(单列) | 120 |
系数 | ||
f0 | — | |
限制速度(rpm) | ||
脂润滑 | ||
油润滑 | ||
载荷中心(mm) | ||
a(单列) | 74.1 | |
安装尺寸(mm) | ||
da(min) | 207 | |
Da(max) | 226 | |
ra(max) | 1.5 | |
db(min) | — | |
Db(max) | 229 | |
rb(max) | 1 | |
重量(kg) | ||
单列 | 2.47 |

商品 | 品牌 | 主要尺寸 | 发货仓 | 产地 | 库存 | 含税单价 | VIP价 | 操作 |