产品分类

7822ATN轴承
类型:【角接触球轴承 - 角接触球轴承】
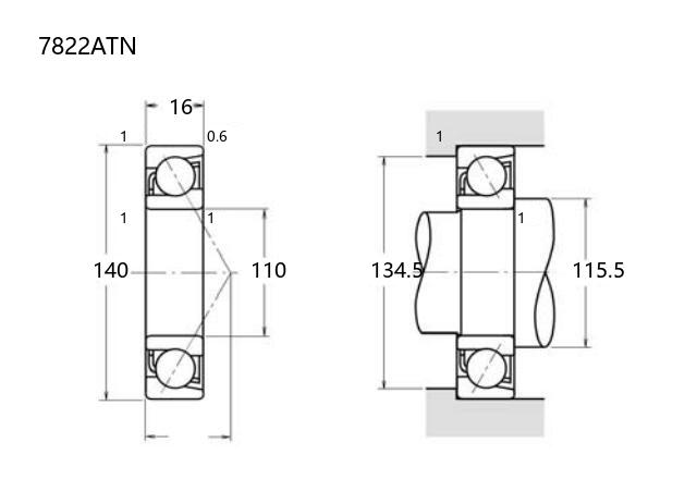
基本尺寸:内径:110 mm,外径:140 mm,厚度:16 mm。
价格区间:¥0 - ¥0【详情】
后缀列表:【A:接触角 30°】【TN:聚酰胺树脂(尼龙)保持架】
7822ATN属于角接触球轴承,内径为110mm,外径140mm,厚度16mm,该尺寸符合公制标准。这类轴承设计用于承受联合载荷,即同时存在的径向和轴向负荷,其接触角结构有助于提升轴向刚性。常见于中等转速应用,如工业传动系统、小型机床主轴或精密旋转机构。
该型号为普通精度等级,通常涵盖P0、P6或P5级别,能够满足一般工业环境对运行平稳性和精度的基本需求。角接触球轴承通常需配对安装或施加预紧以优化性能,具体配置需依据实际工况条件确定。
材料一般采用高碳铬钢,并经过适当的热处理,以增强耐磨性和疲劳寿命。使用时应确保配合部件的加工精度和良好润滑,以避免早期失效。该型号适用于多种机械领域,但具体选型需结合负载、转速及环境要求综合评估。
7
8
2
2
A
T
N
7:角接触球轴承
8:尺寸系列:超轻 18 系列
22:内径:110 mm
A:接触角 30°
TN:聚酰胺树脂(尼龙)保持架
7:
角接触球轴承
8:
尺寸系列:超轻 18 系列
22:
内径:110 mm
A:
接触角 30°
TN:
聚酰胺树脂(尼龙)保持架
公称型号(按保持器区分) | ||
冲压钢 | ||
尼龙 | 7822ATN | |
车削铜 | 7822AM | |
主要尺寸(mm) | ||
内径 | d | 110 |
外径 | D | 140 |
厚度 | B | 16 |
r(min) | 1 | |
r1(min) | 0.6 | |
接触角 | ||
α(度) | 30° | |
额定载荷(KN) | ||
动载荷 | Cr(单列) | 31 |
基本额定静载荷 | Cor(单列) | 38 |
系数 | ||
f0 | — | |
限制速度(rpm) | ||
脂润滑 | ||
油润滑 | ||
载荷中心(mm) | ||
a(单列) | 44 | |
安装尺寸(mm) | ||
da(min) | 115.5 | |
Da(max) | 134.5 | |
ra(max) | 1 | |
db(min) | ||
Db(max) | ||
rb(max) | 0.6 | |
重量(kg) | ||
单列 | 0.58 |

商品 | 品牌 | 主要尺寸 | 发货仓 | 产地 | 库存 | 含税单价 | VIP价 | 操作 |