产品分类

7806BTN轴承
类型:【角接触球轴承 - 角接触球轴承】
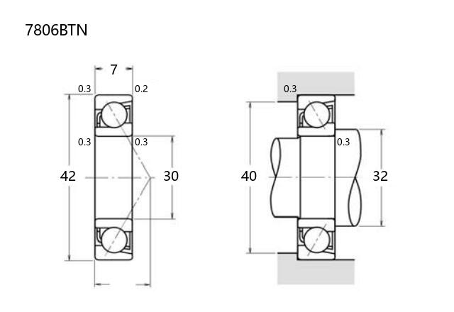
基本尺寸:内径:30 mm,外径:42 mm,厚度:7 mm。
价格区间:¥731.21 - ¥950.57【详情】
后缀列表:【B:接触角 40°】【TN:聚酰胺树脂(尼龙)保持架】
7806BTN属于角接触球轴承,其内径为30毫米,外径42毫米,厚度7毫米。该轴承设计用于同时承受径向和轴向载荷,接触角结构使其适用于较高转速及复合负载工况。其材料通常采用高碳铬钢,经过热处理以提高硬度和耐磨性。
该型号属于普通精度等级,涵盖P0、P6或P5级别,能够满足一般工业应用对精度和刚性的需求。常见应用场景包括小型电机、精密仪器、家用电器及低载荷传动系统等。安装时需注意轴向预紧及对中调整,以确保性能稳定。
这种轴承具有结构紧凑、运转平稳等特点,在中等转速下表现良好。用户在选择时需结合实际工况考虑负载、转速及环境条件,并遵循正确的安装和维护规范,以延长使用寿命。
7
8
0
6
B
T
N
7:角接触球轴承
8:尺寸系列:超轻 18 系列
06:内径:30 mm
B:接触角 40°
TN:聚酰胺树脂(尼龙)保持架
7:
角接触球轴承
8:
尺寸系列:超轻 18 系列
06:
内径:30 mm
B:
接触角 40°
TN:
聚酰胺树脂(尼龙)保持架
公称型号(按保持器区分) | ||
冲压钢 | ||
尼龙 | 7806BTN | |
车削铜 | ||
主要尺寸(mm) | ||
内径 | d | 30 |
外径 | D | 42 |
厚度 | B | 7 |
r(min) | 0.3 | |
r1(min) | 0.2 | |
接触角 | ||
α(度) | 40° | |
额定载荷(KN) | ||
动载荷 | Cr(单列) | 5.6 |
基本额定静载荷 | Cor(单列) | 4.55 |
系数 | ||
f0 | ||
限制速度(rpm) | ||
脂润滑 | 17000 | |
油润滑 | ||
载荷中心(mm) | ||
a(单列) | 18.6 | |
安装尺寸(mm) | ||
da(min) | 32 | |
Da(max) | 40 | |
ra(max) | 0.3 | |
db(min) | ||
Db(max) | 40.6 | |
rb(max) | 0.2 | |
重量(kg) | ||
单列 | 0.025 |

商品 | 品牌 | 主要尺寸 | 发货仓 | 产地 | 库存 | 含税单价 | VIP价 | 操作 |
FAG 71806-TN#E轴承 单列角接触球轴承 |
FAG | 30 X 42 X 7 | 华北 | 20 | 950.57 | ¥731.21 | ||