产品分类

78/900AM轴承
类型:【角接触球轴承 - 角接触球轴承】
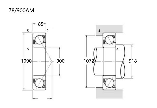
基本尺寸:内径:900 mm,外径:1090 mm,厚度:85 mm。
价格区间:¥3288.98 - ¥6166.84【详情】
后缀列表:【A:接触角 30°】【M:实体黄铜保持架】
78/900AM属于角接触球轴承系列,内径为900mm,外径为1090mm,厚度为85mm。该型号适用于中低速重载工况,常见于大型工业设备中,如重型传动系统或大型回转支撑结构。
角接触球轴承的设计允许承受径向和轴向联合载荷,接触角优化了载荷分布,提高了运行稳定性。该轴承采用普通精度等级,涵盖P0、P6或P5级别,平衡了经济性与基本性能需求。在安装时需注意预紧力和对齐调整,以发挥其最佳性能。
材料通常采用铬钢,经过热处理增强耐磨性和疲劳寿命。保持架可能为冲压钢或实体黄铜结构,具体依据应用条件选择。该型号适用于环境温度范围较广的场合,但需配合适当的润滑与密封设计。
此类轴承在风电设备、矿山机械或大型泵体中有所应用,建议根据实际工况参考技术手册进行选型与维护。
7
8
/
9
0
0
A
M
7:角接触球轴承
8:尺寸系列:超轻 18 系列
/:分隔符
900:公称内径:900 mm
A:接触角 30°
M:实体黄铜保持架
7:
角接触球轴承
8:
尺寸系列:超轻 18 系列
/:
分隔符
900:
公称内径:900 mm
A:
接触角 30°
M:
实体黄铜保持架
公称型号(按保持器区分) | ||
冲压钢 | ||
尼龙 | ||
车削铜 | 78/900AM | |
主要尺寸(mm) | ||
内径 | d | 900 |
外径 | D | 1090 |
厚度 | B | 85 |
r(min) | 5 | |
r1(min) | 2 | |
接触角 | ||
α(度) | 30° | |
额定载荷(KN) | ||
动载荷 | Cr(单列) | 770 |
基本额定静载荷 | Cor(单列) | 2180 |
系数 | ||
f0 | ||
限制速度(rpm) | ||
脂润滑 | 385 | |
油润滑 | 780 | |
载荷中心(mm) | ||
a(单列) | 330 | |
安装尺寸(mm) | ||
da(min) | 918 | |
Da(max) | 1072 | |
ra(max) | 4 | |
db(min) | ||
Db(max) | 1081.2 | |
rb(max) | 2 | |
重量(kg) | ||
单列 | 160.22 |

商品 | 品牌 | 主要尺寸 | 发货仓 | 产地 | 库存 | 含税单价 | VIP价 | 操作 |
HRB 718/900ACF1轴承 角接触球轴承 |
HRB | 900 X 1090 X 85 | 华东 | 哈尔滨 | 200 | 3979.67 | ¥3288.98 | |
HRB 718/900ACF1/P6轴承 角接触球轴承 |
HRB | 900 X 1090 X 85 | 华东 | 哈尔滨 | 200 | 6166.84 | ¥4933.47 | |