产品分类

78/710AM轴承
类型:【角接触球轴承 - 角接触球轴承】
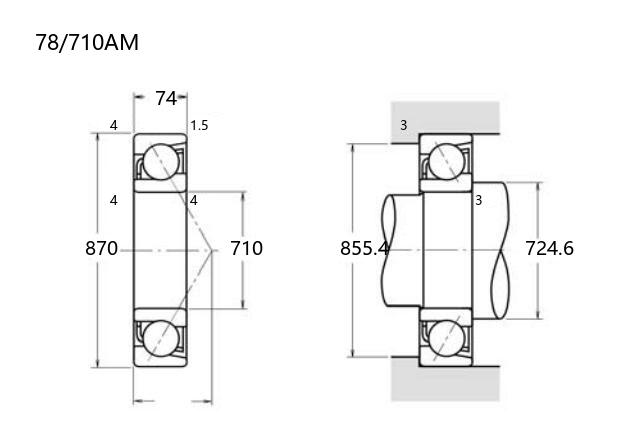
基本尺寸:内径:710 mm,外径:870 mm,厚度:74 mm。
价格区间:¥0 - ¥0【详情】
后缀列表:【A:接触角 30°】【M:实体黄铜保持架】
78/710AM角接触球轴承内径为710毫米,外径870毫米,厚度74毫米,属于中大型尺寸规格。该型号轴承采用角接触设计,可同时承受径向和轴向载荷,适用于较高转速工况。其接触角经过优化,能够提供稳定的刚性支撑和运转精度。该产品符合普通级公差标准,在常规工业应用中具有较好的通用性。
此类轴承常见于重型机械设备中,如大型齿轮箱、传动系统和旋转支撑部位。其结构设计注重载荷分布的均衡性,滚动体与滚道之间的配合经过特殊处理,有助于提升运行平稳性。在安装时需注意调整预紧力,以确保轴承性能的充分发挥。
制造过程中采用标准化生产工艺,材料选择兼顾强度和耐磨性要求。用户在选型时需结合实际工况参数进行综合评估,建议参考具体技术手册中的载荷能力与转速限制数据。该型号轴承在适当维护条件下可保持长期可靠运行。
7
8
/
7
1
0
A
M
7:角接触球轴承
8:尺寸系列:超轻 18 系列
/:分隔符
710:公称内径:710 mm
A:接触角 30°
M:实体黄铜保持架
7:
角接触球轴承
8:
尺寸系列:超轻 18 系列
/:
分隔符
710:
公称内径:710 mm
A:
接触角 30°
M:
实体黄铜保持架
公称型号(按保持器区分) | ||
冲压钢 | ||
尼龙 | ||
车削铜 | 78/710AM | |
主要尺寸(mm) | ||
内径 | d | 710 |
外径 | D | 870 |
厚度 | B | 74 |
r(min) | 4 | |
r1(min) | 1.5 | |
接触角 | ||
α(度) | 30° | |
额定载荷(KN) | ||
动载荷 | Cr(单列) | 590 |
基本额定静载荷 | Cor(单列) | 1460 |
系数 | ||
f0 | ||
限制速度(rpm) | ||
脂润滑 | 520 | |
油润滑 | 1000 | |
载荷中心(mm) | ||
a(单列) | 265 | |
安装尺寸(mm) | ||
da(min) | 724.6 | |
Da(max) | 855.4 | |
ra(max) | 3 | |
db(min) | ||
Db(max) | 863 | |
rb(max) | 1.5 | |
重量(kg) | ||
单列 | 93.6 |

商品 | 品牌 | 主要尺寸 | 发货仓 | 产地 | 库存 | 含税单价 | VIP价 | 操作 |