产品分类

78/670AM轴承
类型:【角接触球轴承 - 角接触球轴承】
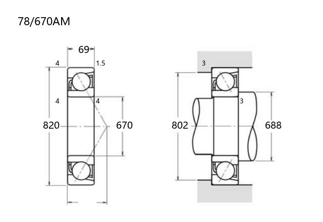
基本尺寸:内径:670 mm,外径:820 mm,厚度:69 mm。
价格区间:¥0 - ¥0【详情】
后缀列表:【A:接触角 30°】【M:实体黄铜保持架】
78/670AM角接触球轴承内径为670mm,外径820mm,厚度69mm,属于角接触球轴承系列。该型号设计用于同时承受径向和轴向负荷,接触角结构有助于提升轴系的刚性精度。其尺寸配置适用于中低速重载工况,常见于大型工业设备或重型机械中。
该轴承采用普通级制造标准,涵盖P0、P6或P5等级别,可满足不同精度和运转平稳性需求。结构上多采用实体窗式保持架设计,利于在复合负载下保持稳定运转。由于其尺寸较大,在安装和使用中需注意配合公差及润滑条件,以发挥其性能并延长使用寿命。
这类轴承适用于大型回转支撑装置、重型传动系统或工程机械转台等场合,能够在多种负载条件下提供可靠的支撑作用。选型时需结合实际工况参数及安装条件进行综合评估。
7
8
/
6
7
0
A
M
7:角接触球轴承
8:尺寸系列:超轻 18 系列
/:分隔符
670:公称内径:670 mm
A:接触角 30°
M:实体黄铜保持架
7:
角接触球轴承
8:
尺寸系列:超轻 18 系列
/:
分隔符
670:
公称内径:670 mm
A:
接触角 30°
M:
实体黄铜保持架
公称型号(按保持器区分) | ||
冲压钢 | ||
尼龙 | 78/670ATN | |
车削铜 | 78/670AM | |
主要尺寸(mm) | ||
内径 | d | 670 |
外径 | D | 820 |
厚度 | B | 69 |
r(min) | 4 | |
r1(min) | 1.5 | |
接触角 | ||
α(度) | 30° | |
额定载荷(KN) | ||
动载荷 | Cr(单列) | 475 |
基本额定静载荷 | Cor(单列) | 1080 |
系数 | ||
f0 | — | |
限制速度(rpm) | ||
脂润滑 | ||
油润滑 | ||
载荷中心(mm) | ||
a(单列) | 249.5 | |
安装尺寸(mm) | ||
da(min) | 688 | |
Da(max) | 802 | |
ra(max) | 3 | |
db(min) | ||
Db(max) | ||
rb(max) | 1.5 | |
重量(kg) | ||
单列 | 76.3 |

商品 | 品牌 | 主要尺寸 | 发货仓 | 产地 | 库存 | 含税单价 | VIP价 | 操作 |