产品分类

78/600AM轴承
类型:【角接触球轴承 - 角接触球轴承】
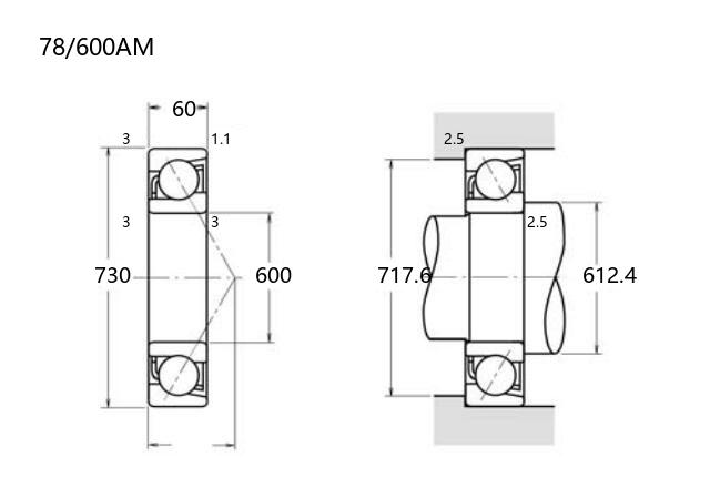
基本尺寸:内径:600 mm,外径:730 mm,厚度:60 mm。
价格区间:¥0 - ¥0【详情】
后缀列表:【A:接触角 30°】【M:实体黄铜保持架】
78/600AM属于角接触球轴承系列,其设计适用于承受联合载荷及轴向载荷。该型号内径为600毫米,外径730毫米,厚度60毫米,尺寸规格符合中等负荷应用需求。作为角接触球轴承,其接触角设计优化了轴向承载能力,适用于转速较高的工况。
该轴承属于普通精度等级,常见于工业传动设备、中型机械及某些专用装置中。其结构兼顾刚性与运转平稳性,能够适应中等转速和负荷条件。在安装时需注意配对使用或预紧调整,以确保载荷分布均匀。
应用范围包括通用机械设备、动力传输系统及部分支承结构,具体选用需结合实际工况条件与配套设计需求。使用过程中应保持充分润滑并避免超载或偏载,以延长使用寿命。
7
8
/
6
0
0
A
M
7:角接触球轴承
8:尺寸系列:超轻 18 系列
/:分隔符
600:公称内径:600 mm
A:接触角 30°
M:实体黄铜保持架
7:
角接触球轴承
8:
尺寸系列:超轻 18 系列
/:
分隔符
600:
公称内径:600 mm
A:
接触角 30°
M:
实体黄铜保持架
公称型号(按保持器区分) | ||
冲压钢 | ||
尼龙 | ||
车削铜 | 78/600AM | |
主要尺寸(mm) | ||
内径 | d | 600 |
外径 | D | 730 |
厚度 | B | 60 |
r(min) | 3 | |
r1(min) | 1.1 | |
接触角 | ||
α(度) | 30° | |
额定载荷(KN) | ||
动载荷 | Cr(单列) | 460 |
基本额定静载荷 | Cor(单列) | 1030 |
系数 | ||
f0 | ||
限制速度(rpm) | ||
脂润滑 | 630 | |
油润滑 | 1200 | |
载荷中心(mm) | ||
a(单列) | 222 | |
安装尺寸(mm) | ||
da(min) | 612.4 | |
Da(max) | 717.6 | |
ra(max) | 2.5 | |
db(min) | ||
Db(max) | 724 | |
rb(max) | 1 | |
重量(kg) | ||
单列 | 50 |

商品 | 品牌 | 主要尺寸 | 发货仓 | 产地 | 库存 | 含税单价 | VIP价 | 操作 |