产品分类

7418BM轴承
类型:【角接触球轴承 - 角接触球轴承】
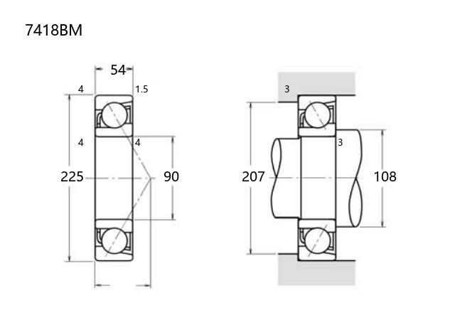
基本尺寸:内径:90 mm,外径:225 mm,厚度:54 mm。
价格区间:¥ - ¥2993.88【详情】
后缀列表:【B:接触角 40°】【M:机加工黄铜保持架】
7418BM型角接触球轴承的内径为90mm,外径为225mm,厚度为54mm,属于中等载荷能力的轴承类型。该轴承采用实心黄铜保持架设计,有助于提高运转稳定性和耐磨性。角接触结构使其能够同时承受径向和轴向复合载荷,适用于中等转速的应用场景。
该轴承通常用于工业传动设备、中型泵类或通用机械中,能够满足一般精度要求。其材料与热处理工艺符合标准工业规范,在正常工况下具有可靠的疲劳寿命。使用时应保证适当的润滑与对中精度,以发挥其性能特点。由于属于普通精度等级,在需要高精度或高速的场合需根据实际工况进行评估选择。
安装时需注意载荷方向,确保轴向预紧力在合理范围内。维护周期需依据实际运行条件确定,定期检查可有效延长使用寿命。
7
4
1
8
B
M
7:角接触球轴承
4:尺寸系列:重窄 04 系列
18:内径:90 mm
B:接触角 40°
M:机加工黄铜保持架
7:
角接触球轴承
4:
尺寸系列:重窄 04 系列
18:
内径:90 mm
B:
接触角 40°
M:
机加工黄铜保持架
公称型号(按保持器区分) | ||
冲压钢 | 7418BW | |
尼龙 | 7418BTN | |
车削铜 | 7418BM | |
主要尺寸(mm) | ||
内径 | d | 90 |
外径 | D | 225 |
厚度 | B | 54 |
r(min) | 4 | |
r1(min) | 1.5 | |
接触角 | ||
α(度) | 40° | |
额定载荷(KN) | ||
动载荷 | Cr(单列) | 200 |
基本额定静载荷 | Cor(单列) | 182 |
系数 | ||
f0 | — | |
限制速度(rpm) | ||
脂润滑 | 2500 | |
油润滑 | 3400 | |
载荷中心(mm) | ||
a(单列) | 93.1 | |
安装尺寸(mm) | ||
da(min) | 108 | |
Da(max) | 207 | |
ra(max) | 3 | |
db(min) | ||
Db(max) | ||
rb(max) | ||
重量(kg) | ||
单列 | 11.4 |

商品 | 品牌 | 主要尺寸 | 发货仓 | 产地 | 库存 | 含税单价 | VIP价 | 操作 |
NSK 7418B轴承 |
NSK | 0 | ¥0 | |||||
NSK 7418BG轴承 单列角接触球轴承 |
NSK | 90 X 225 X 54 | 华东 | 日本 | 11 | 2993.88 | ¥2603.37 | |