产品分类

7416AW轴承
类型:【角接触球轴承 - 角接触球轴承】
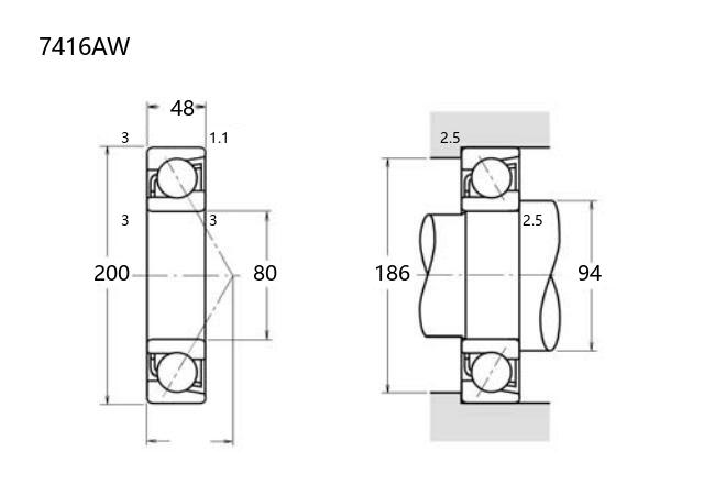
基本尺寸:内径:80 mm,外径:200 mm,厚度:48 mm。
价格区间:¥0 - ¥0【详情】
后缀列表:【A:接触角 30°】【W:冲压钢板保持架】
7416AW型角接触球轴承内径为80毫米,外径200毫米,厚度48毫米,属于中等尺寸的精密机械元件。该轴承采用角接触设计,能够同时承受径向和轴向联合载荷,接触角通常为特定标准值,适用于较高转速工况。
该型号常见于普通精度等级,涵盖P0、P6或P5级别,可满足不同应用场景对旋转精度和刚性的一般需求。其结构特点包括实心黄铜保持架和优化设计的滚道几何形状,有助于提升运转平稳性与使用寿命。
此类轴承通常用于中等负荷的工业设备,如通用电机传动系统、水泵、机床主轴或减速箱等场合。安装时需注意角接触轴承的配置方式,通常采用成对安装以提供更好的轴向支撑。用户需根据实际工况选择合适的预紧力和润滑方案,以确保性能发挥。
轴承的材质与热处理工艺符合行业标准,具有一定的抗疲劳性能和耐磨性。在常规维护条件下,该型号能够提供可靠的运行表现。
7
4
1
6
A
W
7:角接触球轴承
4:尺寸系列:重窄 04 系列
16:内径:80 mm
A:接触角 30°
W:冲压钢板保持架
7:
角接触球轴承
4:
尺寸系列:重窄 04 系列
16:
内径:80 mm
A:
接触角 30°
W:
冲压钢板保持架
公称型号(按保持器区分) | ||
冲压钢 | 7416AW | |
尼龙 | 7416ATN | |
车削铜 | 7416AM | |
主要尺寸(mm) | ||
内径 | d | 80 |
外径 | D | 200 |
厚度 | B | 48 |
r(min) | 3 | |
r1(min) | 1.1 | |
接触角 | ||
α(度) | 30° | |
额定载荷(KN) | ||
动载荷 | Cr(单列) | 193 |
基本额定静载荷 | Cor(单列) | 166 |
系数 | ||
f0 | — | |
限制速度(rpm) | ||
脂润滑 | 3100 | |
油润滑 | 4100 | |
载荷中心(mm) | ||
a(单列) | 65 | |
安装尺寸(mm) | ||
da(min) | 94 | |
Da(max) | 186 | |
ra(max) | 2.5 | |
db(min) | ||
Db(max) | ||
rb(max) | ||
重量(kg) | ||
单列 | 6 |

商品 | 品牌 | 主要尺寸 | 发货仓 | 产地 | 库存 | 含税单价 | VIP价 | 操作 |