产品分类

7415BM轴承
类型:【角接触球轴承 - 角接触球轴承】
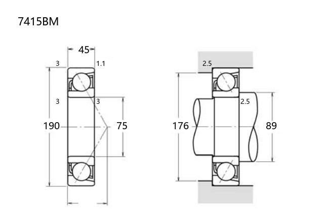
基本尺寸:内径:75 mm,外径:190 mm,厚度:45 mm。
价格区间:¥144.88 - ¥9883.55【详情】
后缀列表:【B:接触角 40°】【M:机加工黄铜保持架】
7415BM角接触球轴承内径为75毫米,外径190毫米,厚度45毫米,属于中大型尺寸规格。该轴承设计用于承受径向和轴向联合载荷,接触角结构使得其具备较高的轴向承载能力,适用于转速较高的工况。作为普通精度等级产品,其性能可满足一般工业应用需求。
该型号轴承常见于中型机械传动系统,如泵类设备、电机主轴或通用变速箱等场合。其内部结构经过优化,运转平稳性较好,能够适应中等负荷和转速的工作环境。保持架设计和材料选择考虑了润滑兼容性及运转温度范围,在正确安装和维护条件下可保持可靠的运行状态。
使用时需注意按照规范进行安装调试,保证适当的预紧力和润滑条件。这类轴承在常规工业领域中具有较好的通用性,实际选用时应结合具体负荷、转速和工作环境条件进行综合评估。
7
4
1
5
B
M
7:角接触球轴承
4:尺寸系列:重窄 04 系列
15:内径:75 mm
B:接触角 40°
M:机加工黄铜保持架
7:
角接触球轴承
4:
尺寸系列:重窄 04 系列
15:
内径:75 mm
B:
接触角 40°
M:
机加工黄铜保持架
公称型号(按保持器区分) | ||
冲压钢 | 7415BW | |
尼龙 | 7415BTN | |
车削铜 | 7415BM | |
主要尺寸(mm) | ||
内径 | d | 75 |
外径 | D | 190 |
厚度 | B | 45 |
r(min) | 3 | |
r1(min) | 1.1 | |
接触角 | ||
α(度) | 40° | |
额定载荷(KN) | ||
动载荷 | Cr(单列) | 158 |
基本额定静载荷 | Cor(单列) | 131 |
系数 | ||
f0 | — | |
限制速度(rpm) | ||
脂润滑 | 2900 | |
油润滑 | 4000 | |
载荷中心(mm) | ||
a(单列) | 78.9 | |
安装尺寸(mm) | ||
da(min) | 89 | |
Da(max) | 176 | |
ra(max) | 2.5 | |
db(min) | ||
Db(max) | ||
rb(max) | ||
重量(kg) | ||
单列 | 5.9 |

商品 | 品牌 | 主要尺寸 | 发货仓 | 产地 | 库存 | 含税单价 | VIP价 | 操作 |
HRB 7415BM轴承 角接触球轴承 |
HRB | 75 X 190 X 45 | 华东 | 哈尔滨 | 200 | 173.86 | ¥144.88 | |
SKF 7415 BCBM轴承 角接触球轴承 |
SKF | 75 X 190 X 45 | 华东 | 美国 | 6 | 9883.55 | ¥8746.5 | |
FAG 7415-B-MP#E轴承 单列角接触球轴承 |
FAG | 75 X 190 X 45 | 华南 | 原产地 | 16 | 2564.17 | ¥2331.06 | |
HRB 7415BM/P6轴承 角接触球轴承 |
HRB | 75 X 190 X 45 | 华东 | 哈尔滨 | 200 | 278.16 | ¥217.31 | |
SKF 7415 BGBM轴承 角接触球轴承 |
SKF | 75 X 190 X 45 | 华东 | 美国 | 2 | 7779.24 | ¥6174 | |
篇幅有限,仅显示五条,更多可点击:搜索,或者:深度搜索 |