产品分类

7414BM轴承
类型:【角接触球轴承 - 角接触球轴承】
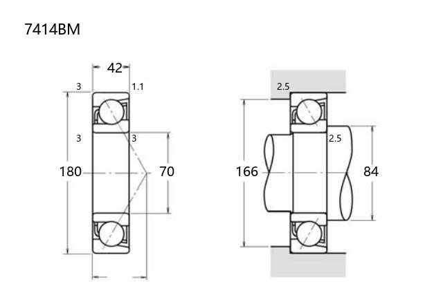
基本尺寸:内径:70 mm,外径:180 mm,厚度:42 mm。
价格区间:¥ - ¥7277.69【详情】
后缀列表:【B:接触角 40°】【M:机加工黄铜保持架】
7414BM属于角接触球轴承系列,其内径为70mm,外径180mm,厚度42mm。该型号轴承采用单列设计,适用于承受径向和轴向组合载荷的场合,常见于中高速运转条件。其接触角设计可提供较好的轴向支撑能力,同时保持一定的径向刚性。
该轴承通常采用普通级精度(如P0、P6或P5级),可满足大多数工业应用对精度和稳定性的基本需求。在安装时需注意预紧力和配合公差,以确保性能发挥。
7414BM型轴承多见于传动系统、机床主轴或齿轮箱等设备中,其结构紧凑,适用于空间受限的场合。使用中需配合适当的润滑与维护,以延长使用寿命并减少故障风险。具体选型时需结合载荷、转速及环境条件综合评估。
7
4
1
4
B
M
7:角接触球轴承
4:尺寸系列:重窄 04 系列
14:内径:70 mm
B:接触角 40°
M:机加工黄铜保持架
7:
角接触球轴承
4:
尺寸系列:重窄 04 系列
14:
内径:70 mm
B:
接触角 40°
M:
机加工黄铜保持架
公称型号(按保持器区分) | ||
冲压钢 | 7414BW | |
尼龙 | 7414BTN | |
车削铜 | 7414BM | |
主要尺寸(mm) | ||
内径 | d | 70 |
外径 | D | 180 |
厚度 | B | 42 |
r(min) | 3 | |
r1(min) | 1.1 | |
接触角 | ||
α(度) | 40° | |
额定载荷(KN) | ||
动载荷 | Cr(单列) | 148 |
基本额定静载荷 | Cor(单列) | 119 |
系数 | ||
f0 | — | |
限制速度(rpm) | ||
脂润滑 | 3100 | |
油润滑 | 4300 | |
载荷中心(mm) | ||
a(单列) | 74.2 | |
安装尺寸(mm) | ||
da(min) | 84 | |
Da(max) | 166 | |
ra(max) | 2.5 | |
db(min) | ||
Db(max) | ||
rb(max) | ||
重量(kg) | ||
单列 | 4.99 |

商品 | 品牌 | 主要尺寸 | 发货仓 | 产地 | 库存 | 含税单价 | VIP价 | 操作 |
NSK 7414B轴承 |
NSK | 0 | ¥0 | |||||
SKF 7414 BM轴承 角接触球轴承 |
SKF | 70 X 180 X 42 | 华北 | USA | 3 | 3797.01 | ¥3087 | |
FAG 7414B.MP轴承 单列角接触球轴承 |
FAG | 70 X 180 X 42 | 华南 | 23 | 1924.74 | ¥1492.05 | ||
NSK 7414BG轴承 单列角接触球轴承 |
NSK | 70 X 180 X 42 | 华东 | 日本 | 12 | 2054.31 | ¥1643.45 | |
NSK 7414BG轴承 单列角接触球轴承 |
NSK | 70 X 180 X 42 | 华东 | 日本 | 3 | 1895.79 | ¥1541.29 | |
篇幅有限,仅显示五条,更多可点击:搜索,或者:深度搜索 |