产品分类

7413BW轴承
类型:【角接触球轴承 - 角接触球轴承】
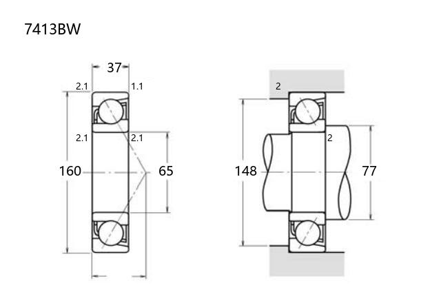
基本尺寸:内径:65 mm,外径:160 mm,厚度:37 mm。
价格区间:¥0 - ¥0【详情】
后缀列表:【B:接触角 40°】【W:钢板冲压冠形保持架】
7413BW角接触球轴承的内径为65毫米,外径160毫米,厚度37毫米,属于角接触球轴承类别中的常见规格。该型号设计适用于中等转速和负荷条件,常见的精度等级包括P0、P6或P5级,能够承受径向和轴向联合载荷。其接触角设计有助于调整刚性和运行性能,适用于多种工业场景。
在应用方面,7413BW轴承常见于通用机械、传动系统或支撑结构,例如中小型电机、泵类设备或减速装置。其结构特点允许一定的预紧调整,有助于提升运行稳定性。用户需根据实际工况选择适当的精度等级和润滑方式,以确保长期可靠运行。维护时应注意负载分布和安装对中,以减少早期失效的可能。
该型号轴承具有较广泛的市场适应性,但具体性能需结合配置和使用环境评估。建议参考技术手册或咨询专业人员以确认兼容性。
7
4
1
3
B
W
7:角接触球轴承
4:尺寸系列:重窄 04 系列
13:内径:65 mm
B:接触角 40°
W:钢板冲压冠形保持架
7:
角接触球轴承
4:
尺寸系列:重窄 04 系列
13:
内径:65 mm
B:
接触角 40°
W:
钢板冲压冠形保持架
公称型号(按保持器区分) | ||
冲压钢 | 7413BW | |
尼龙 | 7413BTN | |
车削铜 | 7413BM | |
主要尺寸(mm) | ||
内径 | d | 65 |
外径 | D | 160 |
厚度 | B | 37 |
r(min) | 2.1 | |
r1(min) | 1.1 | |
接触角 | ||
α(度) | 40° | |
额定载荷(KN) | ||
动载荷 | Cr(单列) | 129 |
基本额定静载荷 | Cor(单列) | 96.8 |
系数 | ||
f0 | — | |
限制速度(rpm) | ||
脂润滑 | 3500 | |
油润滑 | 4800 | |
载荷中心(mm) | ||
a(单列) | 66.3 | |
安装尺寸(mm) | ||
da(min) | 77 | |
Da(max) | 148 | |
ra(max) | 2 | |
db(min) | ||
Db(max) | ||
rb(max) | ||
重量(kg) | ||
单列 | 3.41 |

商品 | 品牌 | 主要尺寸 | 发货仓 | 产地 | 库存 | 含税单价 | VIP价 | 操作 |