产品分类

7412ATN轴承
类型:【角接触球轴承 - 角接触球轴承】
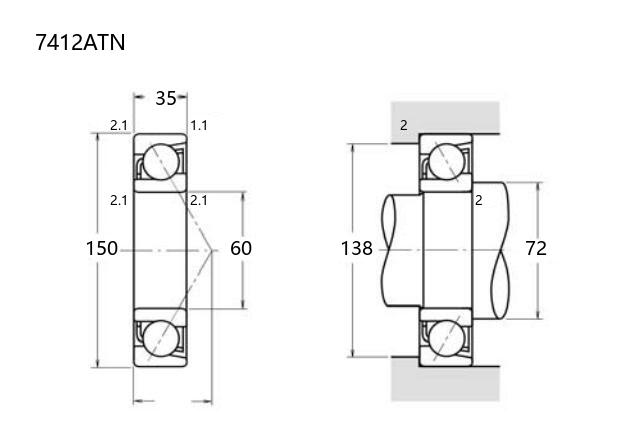
基本尺寸:内径:60 mm,外径:150 mm,厚度:35 mm。
价格区间:¥167.23 - ¥335.2【详情】
后缀列表:【A:接触角 30°】【TN:聚酰胺树脂(尼龙)保持架】
7412ATN型轴承属于角接触球轴承类别,公称尺寸为内径60毫米,外径150毫米,厚度35毫米。该型号采用接触角设计,能够同时承受径向和轴向载荷,适用于中等转速和较高精度的应用场合。
作为标准精度等级产品,7412ATN可提供P0、P6或P5级别的制造公差,具体等级需根据实际产品标识确认。其结构特点包括实体黄铜保持架和开放式设计,便于润滑维护。这类轴承常见于工业传动系统、中型电机或泵类设备等场景,安装时需注意角接触轴承的配对方式和预紧调整,以确保负载均匀分布。
用户在选择时需结合实际工况考虑载荷方向、转速要求及环境因素,并参照制造商提供的技术参数进行验证。维护中建议定期检查润滑状态和运行温度,以延长使用寿命。
7
4
1
2
A
T
N
7:角接触球轴承
4:尺寸系列:重窄 04 系列
12:内径:60 mm
A:接触角 30°
TN:聚酰胺树脂(尼龙)保持架
7:
角接触球轴承
4:
尺寸系列:重窄 04 系列
12:
内径:60 mm
A:
接触角 30°
TN:
聚酰胺树脂(尼龙)保持架
公称型号(按保持器区分) | ||
冲压钢 | 7412AW | |
尼龙 | 7412ATN | |
车削铜 | 7412AM | |
主要尺寸(mm) | ||
内径 | d | 60 |
外径 | D | 150 |
厚度 | B | 35 |
r(min) | 2.1 | |
r1(min) | 1.1 | |
接触角 | ||
α(度) | 30° | |
额定载荷(KN) | ||
动载荷 | Cr(单列) | 129 |
基本额定静载荷 | Cor(单列) | 93.6 |
系数 | ||
f0 | — | |
限制速度(rpm) | ||
脂润滑 | 4100 | |
油润滑 | 5500 | |
载荷中心(mm) | ||
a(单列) | 48.5 | |
安装尺寸(mm) | ||
da(min) | 72 | |
Da(max) | 138 | |
ra(max) | 2 | |
db(min) | ||
Db(max) | ||
rb(max) | ||
重量(kg) | ||
单列 | 2.85 |

商品 | 品牌 | 主要尺寸 | 发货仓 | 产地 | 库存 | 含税单价 | VIP价 | 操作 |
HRB 7412AC轴承 角接触球轴承 |
HRB | 60 X 150 X 35 | 华东 | 哈尔滨 | 261 | 185.63 | ¥167.23 | |
HRB 7412AC/P6轴承 角接触球轴承 |
HRB | 60 X 150 X 35 | 华东 | 哈尔滨 | 200 | 335.2 | ¥272.52 | |