产品分类

7411AM轴承
类型:【角接触球轴承 - 角接触球轴承】
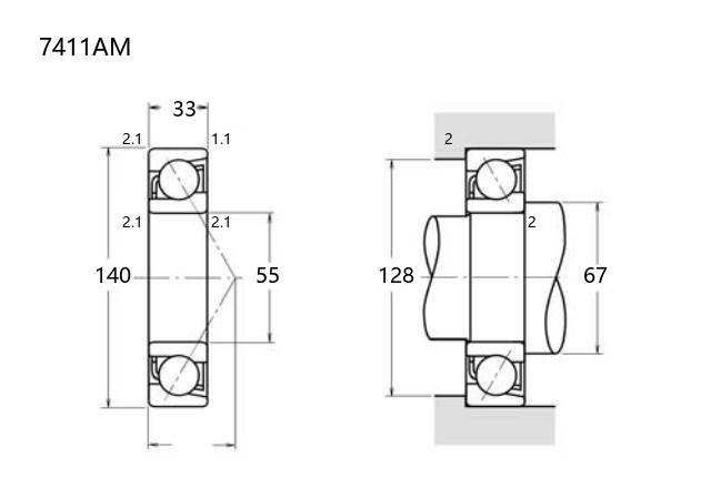
基本尺寸:内径:55 mm,外径:140 mm,厚度:33 mm。
价格区间:¥0 - ¥0【详情】
后缀列表:【A:接触角 30°】【M:实体黄铜保持架】
7411AM型角接触球轴承内径为55毫米,外径140毫米,厚度33毫米。该轴承属于角接触球轴承类别,采用常见的接触角设计,可同时承受径向和轴向联合负荷。其结构特点为内外圈滚道存在相对位移,能够通过预紧调整提高刚性。
该型号通常采用实体黄铜保持架,有助于维持运转稳定性。润滑方式多为脂润滑或油润滑,适用于中等转速工况。安装时需注意角接触轴承的配置方式,常见有面对面或背对背排列形式。
7411AM轴承常见于工业传动装置、中型电机主轴及通用机械中,适用于要求一定精度和刚性的一般工业场合。使用时应保证安装精度与适当润滑,以发挥其性能特点。该型号具有多种游隙和精度等级可选,可根据实际工况需求进行选择。
7
4
1
1
A
M
7:角接触球轴承
4:尺寸系列:重窄 04 系列
11:内径:55 mm
A:接触角 30°
M:实体黄铜保持架
7:
角接触球轴承
4:
尺寸系列:重窄 04 系列
11:
内径:55 mm
A:
接触角 30°
M:
实体黄铜保持架
公称型号(按保持器区分) | ||
冲压钢 | 7411AW | |
尼龙 | 7411ATN | |
车削铜 | 7411AM | |
主要尺寸(mm) | ||
内径 | d | 55 |
外径 | D | 140 |
厚度 | B | 33 |
r(min) | 2.1 | |
r1(min) | 1.1 | |
接触角 | ||
α(度) | 30° | |
额定载荷(KN) | ||
动载荷 | Cr(单列) | 118 |
基本额定静载荷 | Cor(单列) | 82.4 |
系数 | ||
f0 | — | |
限制速度(rpm) | ||
脂润滑 | 4500 | |
油润滑 | 6000 | |
载荷中心(mm) | ||
a(单列) | 45 | |
安装尺寸(mm) | ||
da(min) | 67 | |
Da(max) | 128 | |
ra(max) | 2 | |
db(min) | ||
Db(max) | ||
rb(max) | ||
重量(kg) | ||
单列 | 2.36 |

商品 | 品牌 | 主要尺寸 | 发货仓 | 产地 | 库存 | 含税单价 | VIP价 | 操作 |